Electric motors

GNM series with planetary gear

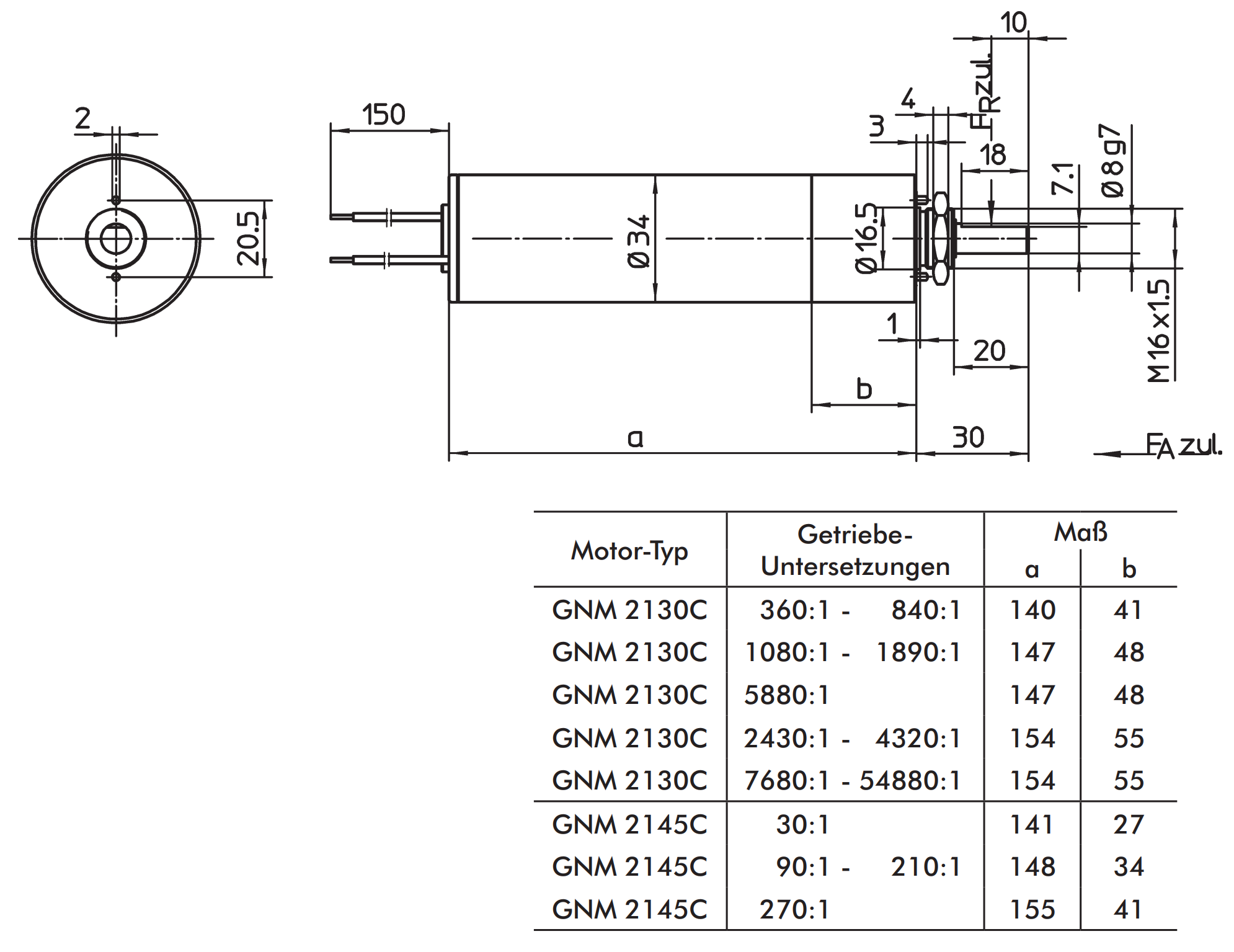
Motoren: 89

The GNM series stands for our DC servo motors with a permanent magnetic field. As voltage variants for the standard version we offer 12V, 24V and 42V. The nominal torque ranges in continuous operation S1 reach up to 1.6 Nm without gear box. Depending on the application, the motors can be designed with protection class IP21, IP41 or IP54. This series is particularly service-friendly due to carbon brush windows.

Gearboxes
Voltage
Rated Speed [min-1]
Rated Current [ADC]
-
Nominal Torque [Nm]
-
Nominal Power [W]
-
Length [mm]
-
Diameter [mm]
-
Name
Rated Speed
Rated Current
Nominal Torque
Nominal Power
Length
Case-Ø

GNM2130C-G5 - Motor Design

Pinion milled in the motor shaft. Free leads. One-hole or flange mounting, see drawings.

Information

Tolerances according to VDE 0530. ± 10% for tolerances not specified according to VDE 0530. All values are only valid for use in the temperature range from 0 to 40 °C and must not be exceeded, even for a short time, as otherwise there is a risk of magnetic weakening. All data with reference to our disclaimer.
General Data
Rated Speed 17.0 min-1
Nominal Voltage 24 V
Rated Current 0.64 A
Nominal Power 5.2 W
Max Power 5.2 W
Operating Mode S1
Degree Of Protection IP 21
Direction Of Rotation reversibel
Connection Type Freie Anschlusslitzen
Diameter 34.0 mm
Length 140.0 mm
Mechanical Data
Nominal Torque 3.0 Nm
Nominal torque mixed current 2.4 Nm
Max. Continuous Torque 3.0 Nm
Starting Torque 3.3 Nm
Max. Starting Torque 3.3 Nm
Rated Current (Mixed Current) 0.56 A
Peak Current 0.76 A
Total weight M+G 0.65 kg
FR (Permissible radial shaft load) 30.0
Gear Data
Gear reduction 1 : 360
Bearing (Motor) Kugellager
Bearing (Gearbox) Sinterbronze-Gleitlager
Power transmission input 8.0 W
Rated speed gearbox input 6000.0 min-1
Gearbox efficiency 65.0 %
Max Starting Torque 3.3 Nm

GNM2130C-G5 - Motor Design

Pinion milled in the motor shaft. Free leads. One-hole or flange mounting, see drawings.

Information

Tolerances according to VDE 0530. ± 10% for tolerances not specified according to VDE 0530. All values are only valid for use in the temperature range from 0 to 40 °C and must not be exceeded, even for a short time, as otherwise there is a risk of magnetic weakening. All data with reference to our disclaimer.
General Data
Rated Speed 13.0 min-1
Nominal Voltage 24 V
Rated Current 0.54 A
Nominal Power 3.9 W
Max Power 3.9 W
Operating Mode S1
Degree Of Protection IP 21
Direction Of Rotation reversibel
Connection Type Freie Anschlusslitzen
Diameter 34.0 mm
Length 140.0 mm
Mechanical Data
Nominal Torque 3.0 Nm
Nominal torque mixed current 3.0 Nm
Max. Continuous Torque 3.0 Nm
Starting Torque 3.5 Nm
Max. Starting Torque 3.5 Nm
Rated Current (Mixed Current) 0.54 A
Peak Current 0.65 A
Total weight M+G 0.65 kg
FR (Permissible radial shaft load) 30.0
Gear Data
Gear reduction 1 : 480
Bearing (Motor) Kugellager
Bearing (Gearbox) Sinterbronze-Gleitlager
Power transmission input 6.0 W
Rated speed gearbox input 6000.0 min-1
Gearbox efficiency 65.0 %
Max Starting Torque 3.5 Nm

GNM2130C-G5 - Motor Design

Pinion milled in the motor shaft. Free leads. One-hole or flange mounting, see drawings.

Information

Tolerances according to VDE 0530. ± 10% for tolerances not specified according to VDE 0530. All values are only valid for use in the temperature range from 0 to 40 °C and must not be exceeded, even for a short time, as otherwise there is a risk of magnetic weakening. All data with reference to our disclaimer.
General Data
Rated Speed 9.5 min-1
Nominal Voltage 24 V
Rated Current 0.51 A
Nominal Power 3.5 W
Max Power 3.5 W
Operating Mode S1
Degree Of Protection IP 21
Direction Of Rotation reversibel
Connection Type Freie Anschlusslitzen
Diameter 34.0 mm
Length 140.0 mm
Mechanical Data
Nominal Torque 3.5 Nm
Nominal torque mixed current 3.5 Nm
Max. Continuous Torque 3.5 Nm
Starting Torque 4.0 Nm
Max. Starting Torque 4.0 Nm
Rated Current (Mixed Current) 0.51 A
Peak Current 0.6 A
Total weight M+G 0.65 kg
FR (Permissible radial shaft load) 30.0
Gear Data
Gear reduction 1 : 630
Bearing (Motor) Kugellager
Bearing (Gearbox) Sinterbronze-Gleitlager
Power transmission input 5.4 W
Rated speed gearbox input 6000.0 min-1
Gearbox efficiency 65.0 %
Max Starting Torque 4.0 Nm

GNM2130C-G5 - Motor Design

Pinion milled in the motor shaft. Free leads. One-hole or flange mounting, see drawings.

Information

Tolerances according to VDE 0530. ± 10% for tolerances not specified according to VDE 0530. All values are only valid for use in the temperature range from 0 to 40 °C and must not be exceeded, even for a short time, as otherwise there is a risk of magnetic weakening. All data with reference to our disclaimer.
General Data
Rated Speed 7.1 min-1
Nominal Voltage 24 V
Rated Current 0.44 A
Nominal Power 2.6 W
Max Power 2.6 W
Operating Mode S1
Degree Of Protection IP 21
Direction Of Rotation reversibel
Connection Type Freie Anschlusslitzen
Diameter 34.0 mm
Length 140.0 mm
Mechanical Data
Nominal Torque 3.5 Nm
Nominal torque mixed current 3.5 Nm
Max. Continuous Torque 3.5 Nm
Starting Torque 4.0 Nm
Max. Starting Torque 4.0 Nm
Rated Current (Mixed Current) 0.44 A
Peak Current 0.51 A
Total weight M+G 0.65 kg
FR (Permissible radial shaft load) 30.0
Gear Data
Gear reduction 1 : 840
Bearing (Motor) Kugellager
Bearing (Gearbox) Sinterbronze-Gleitlager
Power transmission input 4.0 W
Rated speed gearbox input 6000.0 min-1
Gearbox efficiency 65.0 %
Max Starting Torque 4.0 Nm

GNM2130C-G5 - Motor Design

Pinion milled in the motor shaft. Free leads. One-hole or flange mounting, see drawings.

Information

Tolerances according to VDE 0530. ± 10% for tolerances not specified according to VDE 0530. All values are only valid for use in the temperature range from 0 to 40 °C and must not be exceeded, even for a short time, as otherwise there is a risk of magnetic weakening. All data with reference to our disclaimer.
General Data
Rated Speed 5.6 min-1
Nominal Voltage 24 V
Rated Current 0.43 A
Nominal Power 2.0 W
Max Power 2.0 W
Operating Mode S1
Degree Of Protection IP 21
Direction Of Rotation reversibel
Connection Type Freie Anschlusslitzen
Diameter 34.0 mm
Length 147.0 mm
Mechanical Data
Nominal Torque 3.5 Nm
Nominal torque mixed current 3.5 Nm
Max. Continuous Torque 3.5 Nm
Starting Torque 4.0 Nm
Max. Starting Torque 4.0 Nm
Rated Current (Mixed Current) 0.43 A
Peak Current 0.45 A
Total weight M+G 0.7 kg
FR (Permissible radial shaft load) 30.0
Gear Data
Gear reduction 1 : 1080
Bearing (Motor) Kugellager
Bearing (Gearbox) Sinterbronze-Gleitlager
Power transmission input 3.6 W
Rated speed gearbox input 6000.0 min-1
Gearbox efficiency 55.0 %
Max Starting Torque 4.0 Nm

GNM2130C-G5 - Motor Design

Pinion milled in the motor shaft. Free leads. One-hole or flange mounting, see drawings.

Information

Tolerances according to VDE 0530. ± 10% for tolerances not specified according to VDE 0530. All values are only valid for use in the temperature range from 0 to 40 °C and must not be exceeded, even for a short time, as otherwise there is a risk of magnetic weakening. All data with reference to our disclaimer.
General Data
Rated Speed 3.2 min-1
Nominal Voltage 24 V
Rated Current 0.36 A
Nominal Power 1.3 W
Max Power 1.3 W
Operating Mode S1
Degree Of Protection IP 21
Direction Of Rotation reversibel
Connection Type Freie Anschlusslitzen
Diameter 34.0 mm
Length 147.0 mm
Mechanical Data
Nominal Torque 4.0 Nm
Nominal torque mixed current 4.0 Nm
Max. Continuous Torque 4.0 Nm
Starting Torque 4.0 Nm
Max. Starting Torque 4.0 Nm
Rated Current (Mixed Current) 0.36 A
Peak Current 0.36 A
Total weight M+G 0.7 kg
FR (Permissible radial shaft load) 30.0
Gear Data
Gear reduction 1 : 1890
Bearing (Motor) Kugellager
Bearing (Gearbox) Sinterbronze-Gleitlager
Power transmission input 2.4 W
Rated speed gearbox input 6000.0 min-1
Gearbox efficiency 55.0 %
Max Starting Torque 4.0 Nm

GNM2130C-G5 - Motor Design

Pinion milled in the motor shaft. Free leads. One-hole or flange mounting, see drawings.

Information

Tolerances according to VDE 0530. ± 10% for tolerances not specified according to VDE 0530. All values are only valid for use in the temperature range from 0 to 40 °C and must not be exceeded, even for a short time, as otherwise there is a risk of magnetic weakening. All data with reference to our disclaimer.
General Data
Rated Speed 2.5 min-1
Nominal Voltage 24 V
Rated Current 0.36 A
Nominal Power 1.0 W
Max Power 1.0 W
Operating Mode S1
Degree Of Protection IP 21
Direction Of Rotation reversibel
Connection Type Freie Anschlusslitzen
Diameter 34.0 mm
Length 154.0 mm
Mechanical Data
Nominal Torque 4.0 Nm
Nominal torque mixed current 4.0 Nm
Max. Continuous Torque 4.0 Nm
Starting Torque 5.0 Nm
Max. Starting Torque 5.0 Nm
Rated Current (Mixed Current) 0.36 A
Peak Current 0.39 A
Total weight M+G 0.75 kg
FR (Permissible radial shaft load) 30.0
Gear Data
Gear reduction 1 : 2430
Bearing (Motor) Kugellager
Bearing (Gearbox) Sinterbronze-Gleitlager
Power transmission input 2.2 W
Rated speed gearbox input 6000.0 min-1
Gearbox efficiency 45.0 %
Max Starting Torque 5.0 Nm

GNM2130C-G5 - Motor Design

Pinion milled in the motor shaft. Free leads. One-hole or flange mounting, see drawings.

Information

Tolerances according to VDE 0530. ± 10% for tolerances not specified according to VDE 0530. All values are only valid for use in the temperature range from 0 to 40 °C and must not be exceeded, even for a short time, as otherwise there is a risk of magnetic weakening. All data with reference to our disclaimer.
General Data
Rated Speed 1.9 min-1
Nominal Voltage 24 V
Rated Current 0.32 A
Nominal Power 0.78 W
Max Power 0.78 W
Operating Mode S1
Degree Of Protection IP 21
Direction Of Rotation reversibel
Connection Type Freie Anschlusslitzen
Diameter 34.0 mm
Length 154.0 mm
Mechanical Data
Nominal Torque 4.0 Nm
Nominal torque mixed current 4.0 Nm
Max. Continuous Torque 4.0 Nm
Starting Torque 5.0 Nm
Max. Starting Torque 5.0 Nm
Rated Current (Mixed Current) 0.32 A
Peak Current 0.33 A
Total weight M+G 0.75 kg
FR (Permissible radial shaft load) 30.0
Gear Data
Gear reduction 1 : 3240
Bearing (Motor) Kugellager
Bearing (Gearbox) Sinterbronze-Gleitlager
Power transmission input 1.4 W
Rated speed gearbox input 6000.0 min-1
Gearbox efficiency 55.0 %
Max Starting Torque 5.0 Nm

GNM2130C-G5 - Motor Design

Pinion milled in the motor shaft. Free leads. One-hole or flange mounting, see drawings.

Information

Tolerances according to VDE 0530. ± 10% for tolerances not specified according to VDE 0530. All values are only valid for use in the temperature range from 0 to 40 °C and must not be exceeded, even for a short time, as otherwise there is a risk of magnetic weakening. All data with reference to our disclaimer.
General Data
Rated Speed 1.4 min-1
Nominal Voltage 24 V
Rated Current 0.31 A
Nominal Power 0.58 W
Max Power 0.58 W
Operating Mode S1
Degree Of Protection IP 21
Direction Of Rotation reversibel
Connection Type Freie Anschlusslitzen
Diameter 34.0 mm
Length 154.0 mm
Mechanical Data
Nominal Torque 4.0 Nm
Nominal torque mixed current 4.0 Nm
Max. Continuous Torque 4.0 Nm
Starting Torque 5.0 Nm
Max. Starting Torque 5.0 Nm
Rated Current (Mixed Current) 0.31 A
Peak Current 0.33 A
Total weight M+G 0.75 kg
FR (Permissible radial shaft load) 30.0
Gear Data
Gear reduction 1 : 4320
Bearing (Motor) Kugellager
Bearing (Gearbox) Sinterbronze-Gleitlager
Power transmission input 1.3 W
Rated speed gearbox input 6000.0 min-1
Gearbox efficiency 45.0 %
Max Starting Torque 5.0 Nm

GNM2130C-G5 - Motor Design

Pinion milled in the motor shaft. Free leads. One-hole or flange mounting, see drawings.

Information

Tolerances according to VDE 0530. ± 10% for tolerances not specified according to VDE 0530. All values are only valid for use in the temperature range from 0 to 40 °C and must not be exceeded, even for a short time, as otherwise there is a risk of magnetic weakening. All data with reference to our disclaimer.
General Data
Rated Speed 1.0 min-1
Nominal Voltage 24 V
Rated Current 0.3 A
Nominal Power 0.53 W
Max Power 0.53 W
Operating Mode S1
Degree Of Protection IP 21
Direction Of Rotation reversibel
Connection Type Freie Anschlusslitzen
Diameter 34.0 mm
Length 147.0 mm
Mechanical Data
Nominal Torque 5.0 Nm
Nominal torque mixed current 5.0 Nm
Max. Continuous Torque 5.0 Nm
Starting Torque 5.0 Nm
Max. Starting Torque 5.0 Nm
Rated Current (Mixed Current) 0.3 A
Peak Current 0.3 A
Total weight M+G 0.7 kg
FR (Permissible radial shaft load) 30.0
Gear Data
Gear reduction 1 : 5880
Bearing (Motor) Kugellager
Bearing (Gearbox) Sinterbronze-Gleitlager
Power transmission input 1.2 W
Rated speed gearbox input 6000.0 min-1
Gearbox efficiency 45.0 %
Max Starting Torque 5.0 Nm

GNM2130C-G5 - Motor Design

Pinion milled in the motor shaft. Free leads. One-hole or flange mounting, see drawings.

Information

Tolerances according to VDE 0530. ± 10% for tolerances not specified according to VDE 0530. All values are only valid for use in the temperature range from 0 to 40 °C and must not be exceeded, even for a short time, as otherwise there is a risk of magnetic weakening. All data with reference to our disclaimer.
General Data
Rated Speed 0.8 min-1
Nominal Voltage 24 V
Rated Current 0.29 A
Nominal Power 0.41 W
Max Power 0.41 W
Operating Mode S1
Degree Of Protection IP 21
Direction Of Rotation reversibel
Connection Type Freie Anschlusslitzen
Diameter 34.0 mm
Length 154.0 mm
Mechanical Data
Nominal Torque 5.0 Nm
Nominal torque mixed current 5.0 Nm
Max. Continuous Torque 5.0 Nm
Starting Torque 5.0 Nm
Max. Starting Torque 5.0 Nm
Rated Current (Mixed Current) 0.29 A
Peak Current 0.29 A
Total weight M+G 0.75 kg
FR (Permissible radial shaft load) 30.0
Gear Data
Gear reduction 1 : 7680
Bearing (Motor) Kugellager
Bearing (Gearbox) Sinterbronze-Gleitlager
Power transmission input 0.91 W
Rated speed gearbox input 6000.0 min-1
Gearbox efficiency 45.0 %
Max Starting Torque 5.0 Nm

GNM2130C-G5 - Motor Design

Pinion milled in the motor shaft. Free leads. One-hole or flange mounting, see drawings.

Information

Tolerances according to VDE 0530. ± 10% for tolerances not specified according to VDE 0530. All values are only valid for use in the temperature range from 0 to 40 °C and must not be exceeded, even for a short time, as otherwise there is a risk of magnetic weakening. All data with reference to our disclaimer.
General Data
Rated Speed 0.5 min-1
Nominal Voltage 24 V
Rated Current 0.28 A
Nominal Power 0.24 W
Max Power 0.24 W
Operating Mode S1
Degree Of Protection IP 21
Direction Of Rotation reversibel
Connection Type Freie Anschlusslitzen
Diameter 34.0 mm
Length 154.0 mm
Mechanical Data
Nominal Torque 5.0 Nm
Nominal torque mixed current 5.0 Nm
Max. Continuous Torque 5.0 Nm
Starting Torque 5.0 Nm
Max. Starting Torque 5.0 Nm
Rated Current (Mixed Current) 0.28 A
Peak Current 0.28 A
Total weight M+G 0.75 kg
FR (Permissible radial shaft load) 30.0
Gear Data
Gear reduction 1 : 13230
Bearing (Motor) Kugellager
Bearing (Gearbox) Sinterbronze-Gleitlager
Power transmission input 0.6 W
Rated speed gearbox input 6000.0 min-1
Gearbox efficiency 40.0 %
Max Starting Torque 5.0 Nm

GNM2130C-G5 - Motor Design

Pinion milled in the motor shaft. Free leads. One-hole or flange mounting, see drawings.

Information

Tolerances according to VDE 0530. ± 10% for tolerances not specified according to VDE 0530. All values are only valid for use in the temperature range from 0 to 40 °C and must not be exceeded, even for a short time, as otherwise there is a risk of magnetic weakening. All data with reference to our disclaimer.
General Data
Rated Speed 0.2 min-1
Nominal Voltage 24 V
Rated Current 0.26 A
Nominal Power 0.1 W
Max Power 0.1 W
Operating Mode S1
Degree Of Protection IP 21
Direction Of Rotation reversibel
Connection Type Freie Anschlusslitzen
Diameter 34.0 mm
Length 154.0 mm
Mechanical Data
Nominal Torque 5.0 Nm
Nominal torque mixed current 5.0 Nm
Max. Continuous Torque 5.0 Nm
Starting Torque 5.0 Nm
Max. Starting Torque 5.0 Nm
Rated Current (Mixed Current) 0.26 A
Peak Current 0.26 A
Total weight M+G 0.75 kg
FR (Permissible radial shaft load) 30.0
Gear Data
Gear reduction 1 : 30870
Bearing (Motor) Kugellager
Bearing (Gearbox) Sinterbronze-Gleitlager
Power transmission input 0.25 W
Rated speed gearbox input 6000.0 min-1
Gearbox efficiency 40.0 %
Max Starting Torque 5.0 Nm

GNM2145C-G5 - Motor Design

Pinion milled in the motor shaft. Free leads. One-hole or flange mounting, see drawings.

Information

Tolerances according to VDE 0530. ± 10% for tolerances not specified according to VDE 0530. All values are only valid for use in the temperature range from 0 to 40 °C and must not be exceeded, even for a short time, as otherwise there is a risk of magnetic weakening. All data with reference to our disclaimer.
General Data
Rated Speed 200.0 min-1
Nominal Voltage 24 V
Rated Current 0.96 A
Nominal Power 9.6 W
Max Power 9.6 W
Operating Mode S1
Degree Of Protection IP 21
Direction Of Rotation reversibel
Connection Type Freie Anschlusslitzen
Diameter 34.0 mm
Length 141.0 mm
Mechanical Data
Nominal Torque 0.46 Nm
Nominal torque mixed current 0.34 Nm
Max. Continuous Torque 0.46 Nm
Starting Torque 0.6 Nm
Max. Starting Torque 0.6 Nm
Rated Current (Mixed Current) 0.81 A
Peak Current 1.5 A
Total weight M+G 0.55 kg
FR (Permissible radial shaft load) 30.0
Gear Data
Gear reduction 1 : 30
Bearing (Motor) Kugellager
Bearing (Gearbox) Sinterbronze-Gleitlager
Power transmission input 12.0 W
Rated speed gearbox input 6000.0 min-1
Gearbox efficiency 80.0 %
Max Starting Torque 0.6 Nm

GNM2145C-G5 - Motor Design

Pinion milled in the motor shaft. Free leads. One-hole or flange mounting, see drawings.

Information

Tolerances according to VDE 0530. ± 10% for tolerances not specified according to VDE 0530. All values are only valid for use in the temperature range from 0 to 40 °C and must not be exceeded, even for a short time, as otherwise there is a risk of magnetic weakening. All data with reference to our disclaimer.
General Data
Rated Speed 67.0 min-1
Nominal Voltage 24 V
Rated Current 0.96 A
Nominal Power 8.4 W
Max Power 8.4 W
Operating Mode S1
Degree Of Protection IP 21
Direction Of Rotation reversibel
Connection Type Freie Anschlusslitzen
Diameter 34.0 mm
Length 148.0 mm
Mechanical Data
Nominal Torque 1.2 Nm
Nominal torque mixed current 0.89 Nm
Max. Continuous Torque 1.2 Nm
Starting Torque 1.8 Nm
Max. Starting Torque 1.8 Nm
Rated Current (Mixed Current) 0.81 A
Peak Current 1.5 A
Total weight M+G 0.6 kg
FR (Permissible radial shaft load) 30.0
Gear Data
Gear reduction 1 : 90
Bearing (Motor) Kugellager
Bearing (Gearbox) Sinterbronze-Gleitlager
Power transmission input 12.0 W
Rated speed gearbox input 6000.0 min-1
Gearbox efficiency 70.0 %
Max Starting Torque 1.8 Nm

GNM2145C-G5 - Motor Design

Pinion milled in the motor shaft. Free leads. One-hole or flange mounting, see drawings.

Information

Tolerances according to VDE 0530. ± 10% for tolerances not specified according to VDE 0530. All values are only valid for use in the temperature range from 0 to 40 °C and must not be exceeded, even for a short time, as otherwise there is a risk of magnetic weakening. All data with reference to our disclaimer.
General Data
Rated Speed 50.0 min-1
Nominal Voltage 24 V
Rated Current 0.96 A
Nominal Power 8.4 W
Max Power 8.4 W
Operating Mode S1
Degree Of Protection IP 21
Direction Of Rotation reversibel
Connection Type Freie Anschlusslitzen
Diameter 34.0 mm
Length 148.0 mm
Mechanical Data
Nominal Torque 1.6 Nm
Nominal torque mixed current 1.2 Nm
Max. Continuous Torque 1.6 Nm
Starting Torque 2.2 Nm
Max. Starting Torque 2.2 Nm
Rated Current (Mixed Current) 0.81 A
Peak Current 1.4 A
Total weight M+G 0.6 kg
FR (Permissible radial shaft load) 30.0
Gear Data
Gear reduction 1 : 120
Bearing (Motor) Kugellager
Bearing (Gearbox) Sinterbronze-Gleitlager
Power transmission input 12.0 W
Rated speed gearbox input 6000.0 min-1
Gearbox efficiency 70.0 %
Max Starting Torque 2.2 Nm

GNM2145C-G5 - Motor Design

Pinion milled in the motor shaft. Free leads. One-hole or flange mounting, see drawings.

Information

Tolerances according to VDE 0530. ± 10% for tolerances not specified according to VDE 0530. All values are only valid for use in the temperature range from 0 to 40 °C and must not be exceeded, even for a short time, as otherwise there is a risk of magnetic weakening. All data with reference to our disclaimer.
General Data
Rated Speed 29.0 min-1
Nominal Voltage 24 V
Rated Current 0.96 A
Nominal Power 8.4 W
Max Power 8.4 W
Operating Mode S1
Degree Of Protection IP 21
Direction Of Rotation reversibel
Connection Type Freie Anschlusslitzen
Diameter 34.0 mm
Length 148.0 mm
Mechanical Data
Nominal Torque 2.8 Nm
Nominal torque mixed current 2.1 Nm
Max. Continuous Torque 2.8 Nm
Starting Torque 3.3 Nm
Max. Starting Torque 3.3 Nm
Rated Current (Mixed Current) 0.81 A
Peak Current 1.2 A
Total weight M+G 0.6 kg
FR (Permissible radial shaft load) 30.0
Gear Data
Gear reduction 1 : 210
Bearing (Motor) Kugellager
Bearing (Gearbox) Sinterbronze-Gleitlager
Power transmission input 12.0 W
Rated speed gearbox input 6000.0 min-1
Gearbox efficiency 70.0 %
Max Starting Torque 3.3 Nm

GNM2145C-G5 - Motor Design

Pinion milled in the motor shaft. Free leads. One-hole or flange mounting, see drawings.

Information

Tolerances according to VDE 0530. ± 10% for tolerances not specified according to VDE 0530. All values are only valid for use in the temperature range from 0 to 40 °C and must not be exceeded, even for a short time, as otherwise there is a risk of magnetic weakening. All data with reference to our disclaimer.
General Data
Rated Speed 22.0 min-1
Nominal Voltage 24 V
Rated Current 0.88 A
Nominal Power 6.7 W
Max Power 6.7 W
Operating Mode S1
Degree Of Protection IP 21
Direction Of Rotation reversibel
Connection Type Freie Anschlusslitzen
Diameter 34.0 mm
Length 155.0 mm
Mechanical Data
Nominal Torque 2.9 Nm
Nominal torque mixed current 2.5 Nm
Max. Continuous Torque 2.9 Nm
Starting Torque 3.3 Nm
Max. Starting Torque 3.3 Nm
Rated Current (Mixed Current) 0.81 A
Peak Current 1.1 A
Total weight M+G 0.65 kg
FR (Permissible radial shaft load) 30.0
Gear Data
Gear reduction 1 : 270
Bearing (Motor) Kugellager
Bearing (Gearbox) Sinterbronze-Gleitlager
Power transmission input 10.0 W
Rated speed gearbox input 6000.0 min-1
Gearbox efficiency 65.0 %
Max Starting Torque 3.3 Nm

GNM2636A-GP48.2 - Motor Design

Brush holder opening will be accessible by removing the cover plate. Flange mounting with 4 threads, see drawing.
  • Motors also available with DC tacho generator and/or incremental encoder.
  • Motors also available in protection IP 54 and/or with device plug DIN 43650.
  • Design with brake in protection IP 54 and with cable connection.

Information

Tolerances according to VDE 0530. ± 10% for tolerances not specified according to VDE 0530. All values are only valid for use in the temperature range from 0 to 40 °C and must not be exceeded, even for a short time, as otherwise there is a risk of magnetic weakening. All data with reference to our disclaimer.
General Data
Rated Speed 17.0 min-1
Nominal Voltage 24 V
Rated Current 1.6 A
Nominal Power 18.0 W
Max Power 18.0 W
Operating Mode S1
Degree Of Protection IP 41
Direction Of Rotation reversibel
Connection Type Freie Anschlusslitzen
Diameter 48.0 mm
Length 187.5 mm
Mechanical Data
Mass Moment Of Inertia 0.0001 · 10-3 kgm2
Nominal Torque 10.1 Nm
Nominal torque mixed current 6.5 Nm
Max. Continuous Torque 10.5 Nm
Starting Torque 20.0 Nm
Max. Starting Torque 20.0 Nm
Rated Current (Mixed Current) 1.1 A
Peak Current 4.3 A
Total weight M+G 1.32 kg
Total weight M+G+B 1.63 kg
FR (Permissible radial shaft load) 180.0
FA (Permissible axial shaft load) 150.0
Gear Data
Gear reduction 1 : 180
Bearing (Motor) Kugellager
Bearing (Gearbox) Kugellager
Power transmission input 22.0 W
Rated speed gearbox input 3000.0 min-1
Gearbox efficiency 80.0 %
Max Starting Torque 20.0 Nm
Max Backlash 55.0 min

GNM2636A-GP48.2 - Motor Design

Brush holder opening will be accessible by removing the cover plate. Flange mounting with 4 threads, see drawing.
  • Motors also available with DC tacho generator and/or incremental encoder.
  • Motors also available in protection IP 54 and/or with device plug DIN 43650.
  • Design with brake in protection IP 54 and with cable connection.

Information

Tolerances according to VDE 0530. ± 10% for tolerances not specified according to VDE 0530. All values are only valid for use in the temperature range from 0 to 40 °C and must not be exceeded, even for a short time, as otherwise there is a risk of magnetic weakening. All data with reference to our disclaimer.
General Data
Rated Speed 14.0 min-1
Nominal Voltage 24 V
Rated Current 1.4 A
Nominal Power 15.0 W
Max Power 15.0 W
Operating Mode S1
Degree Of Protection IP 41
Direction Of Rotation reversibel
Connection Type Freie Anschlusslitzen
Diameter 48.0 mm
Length 187.5 mm
Mechanical Data
Mass Moment Of Inertia 0.0001 · 10-3 kgm2
Nominal Torque 10.5 Nm
Nominal torque mixed current 7.8 Nm
Max. Continuous Torque 10.5 Nm
Starting Torque 20.0 Nm
Max. Starting Torque 20.0 Nm
Rated Current (Mixed Current) 1.1 A
Peak Current 3.6 A
Total weight M+G 1.32 kg
Total weight M+G+B 1.63 kg
FR (Permissible radial shaft load) 180.0
FA (Permissible axial shaft load) 150.0
Gear Data
Gear reduction 1 : 216
Bearing (Motor) Kugellager
Bearing (Gearbox) Kugellager
Power transmission input 19.0 W
Rated speed gearbox input 3000.0 min-1
Gearbox efficiency 80.0 %
Max Starting Torque 20.0 Nm
Max Backlash 55.0 min

GNM2636A-GP48.2 - Motor Design

Brush holder opening will be accessible by removing the cover plate. Flange mounting with 4 threads, see drawing.
  • Motors also available with DC tacho generator and/or incremental encoder.
  • Motors also available in protection IP 54 and/or with device plug DIN 43650.
  • Design with brake in protection IP 54 and with cable connection.

Information

Tolerances according to VDE 0530. ± 10% for tolerances not specified according to VDE 0530. All values are only valid for use in the temperature range from 0 to 40 °C and must not be exceeded, even for a short time, as otherwise there is a risk of magnetic weakening. All data with reference to our disclaimer.
General Data
Rated Speed 10.0 min-1
Nominal Voltage 24 V
Rated Current 1.1 A
Nominal Power 11.0 W
Max Power 11.0 W
Operating Mode S1
Degree Of Protection IP 41
Direction Of Rotation reversibel
Connection Type Freie Anschlusslitzen
Diameter 48.0 mm
Length 187.5 mm
Mechanical Data
Mass Moment Of Inertia 6e-05 · 10-3 kgm2
Nominal Torque 10.5 Nm
Nominal torque mixed current 10.5 Nm
Max. Continuous Torque 10.5 Nm
Starting Torque 20.0 Nm
Max. Starting Torque 20.0 Nm
Rated Current (Mixed Current) 1.1 A
Peak Current 2.8 A
Total weight M+G 1.32 kg
Total weight M+G+B 1.63 kg
FR (Permissible radial shaft load) 180.0
FA (Permissible axial shaft load) 150.0
Gear Data
Gear reduction 1 : 293
Bearing (Motor) Kugellager
Bearing (Gearbox) Kugellager
Power transmission input 14.0 W
Rated speed gearbox input 3000.0 min-1
Gearbox efficiency 80.0 %
Max Starting Torque 20.0 Nm
Max Backlash 55.0 min

GNM2636A-GP48.2 - Motor Design

Brush holder opening will be accessible by removing the cover plate. Flange mounting with 4 threads, see drawing.
  • Motors also available with DC tacho generator and/or incremental encoder.
  • Motors also available in protection IP 54 and/or with device plug DIN 43650.
  • Design with brake in protection IP 54 and with cable connection.

Information

Tolerances according to VDE 0530. ± 10% for tolerances not specified according to VDE 0530. All values are only valid for use in the temperature range from 0 to 40 °C and must not be exceeded, even for a short time, as otherwise there is a risk of magnetic weakening. All data with reference to our disclaimer.
General Data
Rated Speed 8.5 min-1
Nominal Voltage 24 V
Rated Current 0.99 A
Nominal Power 9.0 W
Max Power 9.0 W
Operating Mode S1
Degree Of Protection IP 41
Direction Of Rotation reversibel
Connection Type Freie Anschlusslitzen
Diameter 48.0 mm
Length 187.5 mm
Mechanical Data
Mass Moment Of Inertia 6e-05 · 10-3 kgm2
Nominal Torque 10.5 Nm
Nominal torque mixed current 10.5 Nm
Max. Continuous Torque 10.5 Nm
Starting Torque 20.0 Nm
Max. Starting Torque 20.0 Nm
Rated Current (Mixed Current) 0.99 A
Peak Current 2.4 A
Total weight M+G 1.32 kg
Total weight M+G+B 1.63 kg
FR (Permissible radial shaft load) 180.0
FA (Permissible axial shaft load) 150.0
Gear Data
Gear reduction 1 : 352
Bearing (Motor) Kugellager
Bearing (Gearbox) Kugellager
Power transmission input 12.0 W
Rated speed gearbox input 3000.0 min-1
Gearbox efficiency 80.0 %
Max Starting Torque 20.0 Nm
Max Backlash 55.0 min

GNM2636A-GP48.2 - Motor Design

Brush holder opening will be accessible by removing the cover plate. Flange mounting with 4 threads, see drawing.
  • Motors also available with DC tacho generator and/or incremental encoder.
  • Motors also available in protection IP 54 and/or with device plug DIN 43650.
  • Design with brake in protection IP 54 and with cable connection.

Information

Tolerances according to VDE 0530. ± 10% for tolerances not specified according to VDE 0530. All values are only valid for use in the temperature range from 0 to 40 °C and must not be exceeded, even for a short time, as otherwise there is a risk of magnetic weakening. All data with reference to our disclaimer.
General Data
Rated Speed 6.7 min-1
Nominal Voltage 24 V
Rated Current 0.78 A
Nominal Power 6.0 W
Max Power 6.0 W
Operating Mode S1
Degree Of Protection IP 41
Direction Of Rotation reversibel
Connection Type Freie Anschlusslitzen
Diameter 48.0 mm
Length 187.5 mm
Mechanical Data
Mass Moment Of Inertia 6e-05 · 10-3 kgm2
Nominal Torque 9.0 Nm
Nominal torque mixed current 9.0 Nm
Max. Continuous Torque 9.0 Nm
Starting Torque 18.0 Nm
Max. Starting Torque 18.0 Nm
Rated Current (Mixed Current) 0.78 A
Peak Current 1.8 A
Total weight M+G 1.32 kg
Total weight M+G+B 1.63 kg
FR (Permissible radial shaft load) 180.0
FA (Permissible axial shaft load) 150.0
Gear Data
Gear reduction 1 : 450
Bearing (Motor) Kugellager
Bearing (Gearbox) Kugellager
Power transmission input 7.9 W
Rated speed gearbox input 3000.0 min-1
Gearbox efficiency 80.0 %
Max Starting Torque 18.0 Nm
Max Backlash 55.0 min

GNM2670A-GP48.2 - Motor Design

Brush holder opening will be accessible by removing the cover plate. Flange mounting with 4 threads, see drawing.
  • Motors also available with DC tacho generator and/or incremental encoder.
  • Motors also available in protection IP 54 and/or with device plug DIN 43650.
  • Design with brake in protection IP 54 and with cable connection.

Information

Tolerances according to VDE 0530. ± 10% for tolerances not specified according to VDE 0530. All values are only valid for use in the temperature range from 0 to 40 °C and must not be exceeded, even for a short time, as otherwise there is a risk of magnetic weakening. All data with reference to our disclaimer.
General Data
Rated Speed 600.0 min-1
Nominal Voltage 24 V
Rated Current 2.6 A
Nominal Power 36.0 W
Max Power 63.0 W
Operating Mode S1
Degree Of Protection IP 41
Direction Of Rotation reversibel
Connection Type Freie Anschlusslitzen
Diameter 48.0 mm
Length 198.0 mm
Mechanical Data
Mass Moment Of Inertia 0.00017 · 10-3 kgm2
Nominal Torque 0.57 Nm
Nominal torque mixed current 0.37 Nm
Max. Continuous Torque 1.0 Nm
Starting Torque 1.7 Nm
Max. Starting Torque 3.0 Nm
Rated Current (Mixed Current) 1.8 A
Peak Current 12.0 A
Total weight M+G 1.32 kg
Total weight M+G+B 1.63 kg
FR (Permissible radial shaft load) 112.0
FA (Permissible axial shaft load) 100.0
Gear Data
Gear reduction 1 : 5
Bearing (Motor) Kugellager
Bearing (Gearbox) Kugellager
Power transmission input 40.0 W
Rated speed gearbox input 3000.0 min-1
Gearbox efficiency 90.0 %
Max Starting Torque 3.0 Nm
Max Backlash 80.0 min

GNM2670A-GP48.2 - Motor Design

Brush holder opening will be accessible by removing the cover plate. Flange mounting with 4 threads, see drawing.
  • Motors also available with DC tacho generator and/or incremental encoder.
  • Motors also available in protection IP 54 and/or with device plug DIN 43650.
  • Design with brake in protection IP 54 and with cable connection.

Information

Tolerances according to VDE 0530. ± 10% for tolerances not specified according to VDE 0530. All values are only valid for use in the temperature range from 0 to 40 °C and must not be exceeded, even for a short time, as otherwise there is a risk of magnetic weakening. All data with reference to our disclaimer.
General Data
Rated Speed 500.0 min-1
Nominal Voltage 24 V
Rated Current 2.6 A
Nominal Power 36.0 W
Max Power 68.0 W
Operating Mode S1
Degree Of Protection IP 41
Direction Of Rotation reversibel
Connection Type Freie Anschlusslitzen
Diameter 48.0 mm
Length 198.0 mm
Mechanical Data
Mass Moment Of Inertia 0.00012 · 10-3 kgm2
Nominal Torque 0.69 Nm
Nominal torque mixed current 0.44 Nm
Max. Continuous Torque 1.3 Nm
Starting Torque 2.0 Nm
Max. Starting Torque 3.5 Nm
Rated Current (Mixed Current) 1.8 A
Peak Current 12.0 A
Total weight M+G 1.32 kg
Total weight M+G+B 1.63 kg
FR (Permissible radial shaft load) 112.0
FA (Permissible axial shaft load) 100.0
Gear Data
Gear reduction 1 : 6
Bearing (Motor) Kugellager
Bearing (Gearbox) Kugellager
Power transmission input 40.0 W
Rated speed gearbox input 3000.0 min-1
Gearbox efficiency 90.0 %
Max Starting Torque 3.5 Nm
Max Backlash 80.0 min

GNM2670A-GP48.2 - Motor Design

Brush holder opening will be accessible by removing the cover plate. Flange mounting with 4 threads, see drawing.
  • Motors also available with DC tacho generator and/or incremental encoder.
  • Motors also available in protection IP 54 and/or with device plug DIN 43650.
  • Design with brake in protection IP 54 and with cable connection.

Information

Tolerances according to VDE 0530. ± 10% for tolerances not specified according to VDE 0530. All values are only valid for use in the temperature range from 0 to 40 °C and must not be exceeded, even for a short time, as otherwise there is a risk of magnetic weakening. All data with reference to our disclaimer.
General Data
Rated Speed 392.0 min-1
Nominal Voltage 24 V
Rated Current 2.6 A
Nominal Power 36.0 W
Max Power 41.0 W
Operating Mode S1
Degree Of Protection IP 41
Direction Of Rotation reversibel
Connection Type Freie Anschlusslitzen
Diameter 48.0 mm
Length 198.0 mm
Mechanical Data
Mass Moment Of Inertia 7e-05 · 10-3 kgm2
Nominal Torque 0.88 Nm
Nominal torque mixed current 0.57 Nm
Max. Continuous Torque 1.0 Nm
Starting Torque 2.6 Nm
Max. Starting Torque 3.0 Nm
Rated Current (Mixed Current) 1.8 A
Peak Current 12.0 A
Total weight M+G 1.32 kg
Total weight M+G+B 1.63 kg
FR (Permissible radial shaft load) 112.0
FA (Permissible axial shaft load) 100.0
Gear Data
Gear reduction 1 : 7
Bearing (Motor) Kugellager
Bearing (Gearbox) Kugellager
Power transmission input 40.0 W
Rated speed gearbox input 3000.0 min-1
Gearbox efficiency 90.0 %
Max Starting Torque 3.0 Nm
Max Backlash 80.0 min

GNM2670A-GP48.2 - Motor Design

Brush holder opening will be accessible by removing the cover plate. Flange mounting with 4 threads, see drawing.
  • Motors also available with DC tacho generator and/or incremental encoder.
  • Motors also available in protection IP 54 and/or with device plug DIN 43650.
  • Design with brake in protection IP 54 and with cable connection.

Information

Tolerances according to VDE 0530. ± 10% for tolerances not specified according to VDE 0530. All values are only valid for use in the temperature range from 0 to 40 °C and must not be exceeded, even for a short time, as otherwise there is a risk of magnetic weakening. All data with reference to our disclaimer.
General Data
Rated Speed 143.0 min-1
Nominal Voltage 24 V
Rated Current 2.6 A
Nominal Power 34.0 W
Max Power 48.0 W
Operating Mode S1
Degree Of Protection IP 41
Direction Of Rotation reversibel
Connection Type Freie Anschlusslitzen
Diameter 48.0 mm
Length 214.5 mm
Mechanical Data
Mass Moment Of Inertia 0.00015 · 10-3 kgm2
Nominal Torque 2.3 Nm
Nominal torque mixed current 1.5 Nm
Max. Continuous Torque 3.2 Nm
Starting Torque 7.0 Nm
Max. Starting Torque 12.0 Nm
Rated Current (Mixed Current) 1.8 A
Peak Current 12.0 A
Total weight M+G 1.51 kg
Total weight M+G+B 1.82 kg
FR (Permissible radial shaft load) 150.0
FA (Permissible axial shaft load) 110.0
Gear Data
Gear reduction 1 : 21
Bearing (Motor) Kugellager
Bearing (Gearbox) Kugellager
Power transmission input 40.0 W
Rated speed gearbox input 3000.0 min-1
Gearbox efficiency 85.0 %
Max Starting Torque 12.0 Nm
Max Backlash 50.0 min

GNM2670A-GP48.2 - Motor Design

Brush holder opening will be accessible by removing the cover plate. Flange mounting with 4 threads, see drawing.
  • Motors also available with DC tacho generator and/or incremental encoder.
  • Motors also available in protection IP 54 and/or with device plug DIN 43650.
  • Design with brake in protection IP 54 and with cable connection.

Information

Tolerances according to VDE 0530. ± 10% for tolerances not specified according to VDE 0530. All values are only valid for use in the temperature range from 0 to 40 °C and must not be exceeded, even for a short time, as otherwise there is a risk of magnetic weakening. All data with reference to our disclaimer.
General Data
Rated Speed 120.0 min-1
Nominal Voltage 24 V
Rated Current 2.6 A
Nominal Power 34.0 W
Max Power 50.0 W
Operating Mode S1
Degree Of Protection IP 41
Direction Of Rotation reversibel
Connection Type Freie Anschlusslitzen
Diameter 48.0 mm
Length 214.5 mm
Mechanical Data
Mass Moment Of Inertia 0.00014 · 10-3 kgm2
Nominal Torque 2.7 Nm
Nominal torque mixed current 1.8 Nm
Max. Continuous Torque 4.0 Nm
Starting Torque 8.0 Nm
Max. Starting Torque 14.5 Nm
Rated Current (Mixed Current) 1.8 A
Peak Current 12.0 A
Total weight M+G 1.51 kg
Total weight M+G+B 1.82 kg
FR (Permissible radial shaft load) 150.0
FA (Permissible axial shaft load) 110.0
Gear Data
Gear reduction 1 : 25
Bearing (Motor) Kugellager
Bearing (Gearbox) Kugellager
Power transmission input 40.0 W
Rated speed gearbox input 3000.0 min-1
Gearbox efficiency 85.0 %
Max Starting Torque 14.5 Nm
Max Backlash 50.0 min

GNM2670A-GP48.2 - Motor Design

Brush holder opening will be accessible by removing the cover plate. Flange mounting with 4 threads, see drawing.
  • Motors also available with DC tacho generator and/or incremental encoder.
  • Motors also available in protection IP 54 and/or with device plug DIN 43650.
  • Design with brake in protection IP 54 and with cable connection.

Information

Tolerances according to VDE 0530. ± 10% for tolerances not specified according to VDE 0530. All values are only valid for use in the temperature range from 0 to 40 °C and must not be exceeded, even for a short time, as otherwise there is a risk of magnetic weakening. All data with reference to our disclaimer.
General Data
Rated Speed 100.0 min-1
Nominal Voltage 24 V
Rated Current 2.6 A
Nominal Power 34.0 W
Max Power 50.0 W
Operating Mode S1
Degree Of Protection IP 41
Direction Of Rotation reversibel
Connection Type Freie Anschlusslitzen
Diameter 48.0 mm
Length 214.5 mm
Mechanical Data
Mass Moment Of Inertia 0.0001 · 10-3 kgm2
Nominal Torque 3.2 Nm
Nominal torque mixed current 2.1 Nm
Max. Continuous Torque 4.8 Nm
Starting Torque 10.0 Nm
Max. Starting Torque 14.5 Nm
Rated Current (Mixed Current) 1.8 A
Peak Current 12.0 A
Total weight M+G 1.51 kg
Total weight M+G+B 1.82 kg
FR (Permissible radial shaft load) 150.0
FA (Permissible axial shaft load) 110.0
Gear Data
Gear reduction 1 : 30
Bearing (Motor) Kugellager
Bearing (Gearbox) Kugellager
Power transmission input 40.0 W
Rated speed gearbox input 3000.0 min-1
Gearbox efficiency 85.0 %
Max Starting Torque 14.5 Nm
Max Backlash 50.0 min

GNM2670A-GP48.2 - Motor Design

Brush holder opening will be accessible by removing the cover plate. Flange mounting with 4 threads, see drawing.
  • Motors also available with DC tacho generator and/or incremental encoder.
  • Motors also available in protection IP 54 and/or with device plug DIN 43650.
  • Design with brake in protection IP 54 and with cable connection.

Information

Tolerances according to VDE 0530. ± 10% for tolerances not specified according to VDE 0530. All values are only valid for use in the temperature range from 0 to 40 °C and must not be exceeded, even for a short time, as otherwise there is a risk of magnetic weakening. All data with reference to our disclaimer.
General Data
Rated Speed 83.0 min-1
Nominal Voltage 24 V
Rated Current 2.6 A
Nominal Power 34.0 W
Max Power 48.0 W
Operating Mode S1
Degree Of Protection IP 41
Direction Of Rotation reversibel
Connection Type Freie Anschlusslitzen
Diameter 48.0 mm
Length 214.5 mm
Mechanical Data
Mass Moment Of Inertia 0.0001 · 10-3 kgm2
Nominal Torque 3.9 Nm
Nominal torque mixed current 2.5 Nm
Max. Continuous Torque 5.5 Nm
Starting Torque 12.0 Nm
Max. Starting Torque 16.0 Nm
Rated Current (Mixed Current) 1.8 A
Peak Current 12.0 A
Total weight M+G 1.51 kg
Total weight M+G+B 1.82 kg
FR (Permissible radial shaft load) 150.0
FA (Permissible axial shaft load) 110.0
Gear Data
Gear reduction 1 : 36
Bearing (Motor) Kugellager
Bearing (Gearbox) Kugellager
Power transmission input 40.0 W
Rated speed gearbox input 3000.0 min-1
Gearbox efficiency 85.0 %
Max Starting Torque 16.0 Nm
Max Backlash 50.0 min

GNM2670A-GP48.2 - Motor Design

Brush holder opening will be accessible by removing the cover plate. Flange mounting with 4 threads, see drawing.
  • Motors also available with DC tacho generator and/or incremental encoder.
  • Motors also available in protection IP 54 and/or with device plug DIN 43650.
  • Design with brake in protection IP 54 and with cable connection.

Information

Tolerances according to VDE 0530. ± 10% for tolerances not specified according to VDE 0530. All values are only valid for use in the temperature range from 0 to 40 °C and must not be exceeded, even for a short time, as otherwise there is a risk of magnetic weakening. All data with reference to our disclaimer.
General Data
Rated Speed 65.0 min-1
Nominal Voltage 24 V
Rated Current 2.6 A
Nominal Power 34.0 W
Max Power 38.0 W
Operating Mode S1
Degree Of Protection IP 41
Direction Of Rotation reversibel
Connection Type Freie Anschlusslitzen
Diameter 48.0 mm
Length 214.5 mm
Mechanical Data
Mass Moment Of Inertia 6e-05 · 10-3 kgm2
Nominal Torque 5.0 Nm
Nominal torque mixed current 3.2 Nm
Max. Continuous Torque 5.6 Nm
Starting Torque 15.0 Nm
Max. Starting Torque 16.0 Nm
Rated Current (Mixed Current) 1.8 A
Peak Current 12.0 A
Total weight M+G 1.51 kg
Total weight M+G+B 1.82 kg
FR (Permissible radial shaft load) 150.0
FA (Permissible axial shaft load) 110.0
Gear Data
Gear reduction 1 : 46
Bearing (Motor) Kugellager
Bearing (Gearbox) Kugellager
Power transmission input 40.0 W
Rated speed gearbox input 3000.0 min-1
Gearbox efficiency 85.0 %
Max Starting Torque 16.0 Nm
Max Backlash 50.0 min

GNM2670A-GP48.2 - Motor Design

Brush holder opening will be accessible by removing the cover plate. Flange mounting with 4 threads, see drawing.
  • Motors also available with DC tacho generator and/or incremental encoder.
  • Motors also available in protection IP 54 and/or with device plug DIN 43650.
  • Design with brake in protection IP 54 and with cable connection.

Information

Tolerances according to VDE 0530. ± 10% for tolerances not specified according to VDE 0530. All values are only valid for use in the temperature range from 0 to 40 °C and must not be exceeded, even for a short time, as otherwise there is a risk of magnetic weakening. All data with reference to our disclaimer.
General Data
Rated Speed 51.0 min-1
Nominal Voltage 24 V
Rated Current 2.5 A
Nominal Power 32.0 W
Max Power 32.0 W
Operating Mode S1
Degree Of Protection IP 41
Direction Of Rotation reversibel
Connection Type Freie Anschlusslitzen
Diameter 48.0 mm
Length 214.5 mm
Mechanical Data
Mass Moment Of Inertia 6e-05 · 10-3 kgm2
Nominal Torque 6.0 Nm
Nominal torque mixed current 4.1 Nm
Max. Continuous Torque 6.0 Nm
Starting Torque 16.0 Nm
Max. Starting Torque 16.0 Nm
Rated Current (Mixed Current) 1.8 A
Peak Current 9.8 A
Total weight M+G 1.51 kg
Total weight M+G+B 1.82 kg
FR (Permissible radial shaft load) 150.0
FA (Permissible axial shaft load) 100.0
Gear Data
Gear reduction 1 : 59
Bearing (Motor) Kugellager
Bearing (Gearbox) Kugellager
Power transmission input 38.0 W
Rated speed gearbox input 3000.0 min-1
Gearbox efficiency 85.0 %
Max Starting Torque 16.0 Nm
Max Backlash 50.0 min

GNM2670A-GP48.2 - Motor Design

Brush holder opening will be accessible by removing the cover plate. Flange mounting with 4 threads, see drawing.
  • Motors also available with DC tacho generator and/or incremental encoder.
  • Motors also available in protection IP 54 and/or with device plug DIN 43650.
  • Design with brake in protection IP 54 and with cable connection.

Information

Tolerances according to VDE 0530. ± 10% for tolerances not specified according to VDE 0530. All values are only valid for use in the temperature range from 0 to 40 °C and must not be exceeded, even for a short time, as otherwise there is a risk of magnetic weakening. All data with reference to our disclaimer.
General Data
Rated Speed 32.0 min-1
Nominal Voltage 24 V
Rated Current 2.1 A
Nominal Power 25.0 W
Max Power 25.0 W
Operating Mode S1
Degree Of Protection IP 41
Direction Of Rotation reversibel
Connection Type Freie Anschlusslitzen
Diameter 48.0 mm
Length 231.5 mm
Mechanical Data
Mass Moment Of Inertia 0.00015 · 10-3 kgm2
Nominal Torque 7.5 Nm
Nominal torque mixed current 6.2 Nm
Max. Continuous Torque 7.5 Nm
Starting Torque 18.0 Nm
Max. Starting Torque 18.0 Nm
Rated Current (Mixed Current) 1.8 A
Peak Current 7.0 A
Total weight M+G 1.69 kg
Total weight M+G+B 2.0 kg
FR (Permissible radial shaft load) 180.0
FA (Permissible axial shaft load) 150.0
Gear Data
Gear reduction 1 : 94
Bearing (Motor) Kugellager
Bearing (Gearbox) Kugellager
Power transmission input 31.0 W
Rated speed gearbox input 3000.0 min-1
Gearbox efficiency 80.0 %
Max Starting Torque 18.0 Nm
Max Backlash 55.0 min

GNM2670A-GP48.2 - Motor Design

Brush holder opening will be accessible by removing the cover plate. Flange mounting with 4 threads, see drawing.
  • Motors also available with DC tacho generator and/or incremental encoder.
  • Motors also available in protection IP 54 and/or with device plug DIN 43650.
  • Design with brake in protection IP 54 and with cable connection.

Information

Tolerances according to VDE 0530. ± 10% for tolerances not specified according to VDE 0530. All values are only valid for use in the temperature range from 0 to 40 °C and must not be exceeded, even for a short time, as otherwise there is a risk of magnetic weakening. All data with reference to our disclaimer.
General Data
Rated Speed 24.0 min-1
Nominal Voltage 24 V
Rated Current 1.9 A
Nominal Power 21.0 W
Max Power 21.0 W
Operating Mode S1
Degree Of Protection IP 41
Direction Of Rotation reversibel
Connection Type Freie Anschlusslitzen
Diameter 48.0 mm
Length 231.5 mm
Mechanical Data
Mass Moment Of Inertia 0.00014 · 10-3 kgm2
Nominal Torque 8.5 Nm
Nominal torque mixed current 8.2 Nm
Max. Continuous Torque 8.5 Nm
Starting Torque 20.0 Nm
Max. Starting Torque 20.0 Nm
Rated Current (Mixed Current) 1.8 A
Peak Current 5.9 A
Total weight M+G 1.69 kg
Total weight M+G+B 2.0 kg
FR (Permissible radial shaft load) 180.0
FA (Permissible axial shaft load) 150.0
Gear Data
Gear reduction 1 : 125
Bearing (Motor) Kugellager
Bearing (Gearbox) Kugellager
Power transmission input 26.0 W
Rated speed gearbox input 3000.0 min-1
Gearbox efficiency 80.0 %
Max Starting Torque 20.0 Nm
Max Backlash 55.0 min

GNM2670A-GP48.2 - Motor Design

Brush holder opening will be accessible by removing the cover plate. Flange mounting with 4 threads, see drawing.
  • Motors also available with DC tacho generator and/or incremental encoder.
  • Motors also available in protection IP 54 and/or with device plug DIN 43650.
  • Design with brake in protection IP 54 and with cable connection.

Information

Tolerances according to VDE 0530. ± 10% for tolerances not specified according to VDE 0530. All values are only valid for use in the temperature range from 0 to 40 °C and must not be exceeded, even for a short time, as otherwise there is a risk of magnetic weakening. All data with reference to our disclaimer.
General Data
Rated Speed 20.0 min-1
Nominal Voltage 24 V
Rated Current 1.7 A
Nominal Power 19.0 W
Max Power 19.0 W
Operating Mode S1
Degree Of Protection IP 41
Direction Of Rotation reversibel
Connection Type Freie Anschlusslitzen
Diameter 48.0 mm
Length 231.5 mm
Mechanical Data
Mass Moment Of Inertia 0.0001 · 10-3 kgm2
Nominal Torque 9.0 Nm
Nominal torque mixed current 9.0 Nm
Max. Continuous Torque 9.0 Nm
Starting Torque 20.0 Nm
Max. Starting Torque 20.0 Nm
Rated Current (Mixed Current) 1.7 A
Peak Current 5.0 A
Total weight M+G 1.69 kg
Total weight M+G+B 2.0 kg
FR (Permissible radial shaft load) 180.0
FA (Permissible axial shaft load) 150.0
Gear Data
Gear reduction 1 : 150
Bearing (Motor) Kugellager
Bearing (Gearbox) Kugellager
Power transmission input 24.0 W
Rated speed gearbox input 3000.0 min-1
Gearbox efficiency 80.0 %
Max Starting Torque 20.0 Nm
Max Backlash 55.0 min

GNM3125-GP48.2 - Motor Design

Brush holder opening will be accessible by removing the cover plate. Flange mounting with 4 threads, see drawing.
  • Motors also available with DC tacho generator and/or incremental encoder.
  • Motors also available in protection IP 54 and/or with device plug DIN 43650.
  • Design with brake in protection IP 54 and with cable connection.

Information

Tolerances according to VDE 0530. ± 10% for tolerances not specified according to VDE 0530. All values are only valid for use in the temperature range from 0 to 40 °C and must not be exceeded, even for a short time, as otherwise there is a risk of magnetic weakening. All data with reference to our disclaimer.
General Data
Rated Speed 32.0 min-1
Nominal Voltage 24 V
Rated Current 2.0 A
Nominal Power 25.0 W
Max Power 25.0 W
Operating Mode S1
Degree Of Protection IP 41
Direction Of Rotation reversibel
Connection Type Freie Anschlusslitzen
Diameter 55.0 mm
Length 173.0 mm
Mechanical Data
Mass Moment Of Inertia 0.00015 · 10-3 kgm2
Nominal Torque 7.2 Nm
Nominal torque mixed current 4.8 Nm
Max. Continuous Torque 7.5 Nm
Starting Torque 18.0 Nm
Max. Starting Torque 18.0 Nm
Rated Current (Mixed Current) 1.4 A
Peak Current 6.8 A
Total weight M+G 1.5 kg
Total weight M+G+B 2.0 kg
FR (Permissible radial shaft load) 180.0
FA (Permissible axial shaft load) 150.0
Gear Data
Gear reduction 1 : 94
Bearing (Motor) Kugellager
Bearing (Gearbox) Kugellager
Power transmission input 30.0 W
Rated speed gearbox input 3000.0 min-1
Gearbox efficiency 80.0 %
Max Starting Torque 18.0 Nm
Max Backlash 55.0 min

GNM3125-GP48.2 - Motor Design

Brush holder opening will be accessible by removing the cover plate. Flange mounting with 4 threads, see drawing.
  • Motors also available with DC tacho generator and/or incremental encoder.
  • Motors also available in protection IP 54 and/or with device plug DIN 43650.
  • Design with brake in protection IP 54 and with cable connection.

Information

Tolerances according to VDE 0530. ± 10% for tolerances not specified according to VDE 0530. All values are only valid for use in the temperature range from 0 to 40 °C and must not be exceeded, even for a short time, as otherwise there is a risk of magnetic weakening. All data with reference to our disclaimer.
General Data
Rated Speed 24.0 min-1
Nominal Voltage 24 V
Rated Current 1.8 A
Nominal Power 21.0 W
Max Power 21.0 W
Operating Mode S1
Degree Of Protection IP 41
Direction Of Rotation reversibel
Connection Type Freie Anschlusslitzen
Diameter 55.0 mm
Length 173.0 mm
Mechanical Data
Mass Moment Of Inertia 0.00014 · 10-3 kgm2
Nominal Torque 8.5 Nm
Nominal torque mixed current 6.4 Nm
Max. Continuous Torque 8.5 Nm
Starting Torque 20.0 Nm
Max. Starting Torque 20.0 Nm
Rated Current (Mixed Current) 1.4 A
Peak Current 5.8 A
Total weight M+G 1.5 kg
Total weight M+G+B 2.0 kg
FR (Permissible radial shaft load) 180.0
FA (Permissible axial shaft load) 150.0
Gear Data
Gear reduction 1 : 125
Bearing (Motor) Kugellager
Bearing (Gearbox) Kugellager
Power transmission input 27.0 W
Rated speed gearbox input 3000.0 min-1
Gearbox efficiency 80.0 %
Max Starting Torque 20.0 Nm
Max Backlash 55.0 min

GNM3125-GP48.2 - Motor Design

Brush holder opening will be accessible by removing the cover plate. Flange mounting with 4 threads, see drawing.
  • Motors also available with DC tacho generator and/or incremental encoder.
  • Motors also available in protection IP 54 and/or with device plug DIN 43650.
  • Design with brake in protection IP 54 and with cable connection.

Information

Tolerances according to VDE 0530. ± 10% for tolerances not specified according to VDE 0530. All values are only valid for use in the temperature range from 0 to 40 °C and must not be exceeded, even for a short time, as otherwise there is a risk of magnetic weakening. All data with reference to our disclaimer.
General Data
Rated Speed 20.0 min-1
Nominal Voltage 24 V
Rated Current 1.6 A
Nominal Power 19.0 W
Max Power 19.0 W
Operating Mode S1
Degree Of Protection IP 41
Direction Of Rotation reversibel
Connection Type Freie Anschlusslitzen
Diameter 55.0 mm
Length 173.0 mm
Mechanical Data
Mass Moment Of Inertia 0.0001 · 10-3 kgm2
Nominal Torque 9.0 Nm
Nominal torque mixed current 7.7 Nm
Max. Continuous Torque 9.0 Nm
Starting Torque 20.0 Nm
Max. Starting Torque 20.0 Nm
Rated Current (Mixed Current) 1.4 A
Peak Current 4.9 A
Total weight M+G 1.5 kg
Total weight M+G+B 2.0 kg
FR (Permissible radial shaft load) 180.0
FA (Permissible axial shaft load) 150.0
Gear Data
Gear reduction 1 : 150
Bearing (Motor) Kugellager
Bearing (Gearbox) Kugellager
Power transmission input 24.0 W
Rated speed gearbox input 3000.0 min-1
Gearbox efficiency 80.0 %
Max Starting Torque 20.0 Nm
Max Backlash 55.0 min

GNM3125-GP48.2 - Motor Design

Brush holder opening will be accessible by removing the cover plate. Flange mounting with 4 threads, see drawing.
  • Motors also available with DC tacho generator and/or incremental encoder.
  • Motors also available in protection IP 54 and/or with device plug DIN 43650.
  • Design with brake in protection IP 54 and with cable connection.

Information

Tolerances according to VDE 0530. ± 10% for tolerances not specified according to VDE 0530. All values are only valid for use in the temperature range from 0 to 40 °C and must not be exceeded, even for a short time, as otherwise there is a risk of magnetic weakening. All data with reference to our disclaimer.
General Data
Rated Speed 17.0 min-1
Nominal Voltage 24 V
Rated Current 1.5 A
Nominal Power 18.0 W
Max Power 18.0 W
Operating Mode S1
Degree Of Protection IP 41
Direction Of Rotation reversibel
Connection Type Freie Anschlusslitzen
Diameter 55.0 mm
Length 173.0 mm
Mechanical Data
Mass Moment Of Inertia 0.0001 · 10-3 kgm2
Nominal Torque 10.5 Nm
Nominal torque mixed current 9.2 Nm
Max. Continuous Torque 10.5 Nm
Starting Torque 20.0 Nm
Max. Starting Torque 20.0 Nm
Rated Current (Mixed Current) 1.4 A
Peak Current 4.1 A
Total weight M+G 1.5 kg
Total weight M+G+B 2.0 kg
FR (Permissible radial shaft load) 180.0
FA (Permissible axial shaft load) 150.0
Gear Data
Gear reduction 1 : 180
Bearing (Motor) Kugellager
Bearing (Gearbox) Kugellager
Power transmission input 23.0 W
Rated speed gearbox input 3000.0 min-1
Gearbox efficiency 80.0 %
Max Starting Torque 20.0 Nm
Max Backlash 55.0 min

GNM3125-GP48.2 - Motor Design

Brush holder opening will be accessible by removing the cover plate. Flange mounting with 4 threads, see drawing.
  • Motors also available with DC tacho generator and/or incremental encoder.
  • Motors also available in protection IP 54 and/or with device plug DIN 43650.
  • Design with brake in protection IP 54 and with cable connection.

Information

Tolerances according to VDE 0530. ± 10% for tolerances not specified according to VDE 0530. All values are only valid for use in the temperature range from 0 to 40 °C and must not be exceeded, even for a short time, as otherwise there is a risk of magnetic weakening. All data with reference to our disclaimer.
General Data
Rated Speed 14.0 min-1
Nominal Voltage 24 V
Rated Current 1.3 A
Nominal Power 15.0 W
Max Power 15.0 W
Operating Mode S1
Degree Of Protection IP 41
Direction Of Rotation reversibel
Connection Type Freie Anschlusslitzen
Diameter 55.0 mm
Length 173.0 mm
Mechanical Data
Mass Moment Of Inertia 0.0001 · 10-3 kgm2
Nominal Torque 10.5 Nm
Nominal torque mixed current 10.5 Nm
Max. Continuous Torque 10.5 Nm
Starting Torque 20.0 Nm
Max. Starting Torque 20.0 Nm
Rated Current (Mixed Current) 1.3 A
Peak Current 3.5 A
Total weight M+G 1.5 kg
Total weight M+G+B 2.0 kg
FR (Permissible radial shaft load) 180.0
FA (Permissible axial shaft load) 150.0
Gear Data
Gear reduction 1 : 216
Bearing (Motor) Kugellager
Bearing (Gearbox) Kugellager
Power transmission input 19.0 W
Rated speed gearbox input 3000.0 min-1
Gearbox efficiency 80.0 %
Max Starting Torque 20.0 Nm
Max Backlash 55.0 min

GNM3125-GP48.2 - Motor Design

Brush holder opening will be accessible by removing the cover plate. Flange mounting with 4 threads, see drawing.
  • Motors also available with DC tacho generator and/or incremental encoder.
  • Motors also available in protection IP 54 and/or with device plug DIN 43650.
  • Design with brake in protection IP 54 and with cable connection.

Information

Tolerances according to VDE 0530. ± 10% for tolerances not specified according to VDE 0530. All values are only valid for use in the temperature range from 0 to 40 °C and must not be exceeded, even for a short time, as otherwise there is a risk of magnetic weakening. All data with reference to our disclaimer.
General Data
Rated Speed 10.0 min-1
Nominal Voltage 24 V
Rated Current 1.1 A
Nominal Power 11.0 W
Max Power 11.0 W
Operating Mode S1
Degree Of Protection IP 41
Direction Of Rotation reversibel
Connection Type Freie Anschlusslitzen
Diameter 55.0 mm
Length 173.0 mm
Mechanical Data
Mass Moment Of Inertia 6e-05 · 10-3 kgm2
Nominal Torque 10.5 Nm
Nominal torque mixed current 10.5 Nm
Max. Continuous Torque 10.5 Nm
Starting Torque 20.0 Nm
Max. Starting Torque 20.0 Nm
Rated Current (Mixed Current) 1.1 A
Peak Current 2.7 A
Total weight M+G 1.5 kg
Total weight M+G+B 2.0 kg
FR (Permissible radial shaft load) 180.0
FA (Permissible axial shaft load) 150.0
Gear Data
Gear reduction 1 : 293
Bearing (Motor) Kugellager
Bearing (Gearbox) Kugellager
Power transmission input 14.0 W
Rated speed gearbox input 3000.0 min-1
Gearbox efficiency 80.0 %
Max Starting Torque 20.0 Nm
Max Backlash 55.0 min

GNM3125-GP48.2 - Motor Design

Brush holder opening will be accessible by removing the cover plate. Flange mounting with 4 threads, see drawing.
  • Motors also available with DC tacho generator and/or incremental encoder.
  • Motors also available in protection IP 54 and/or with device plug DIN 43650.
  • Design with brake in protection IP 54 and with cable connection.

Information

Tolerances according to VDE 0530. ± 10% for tolerances not specified according to VDE 0530. All values are only valid for use in the temperature range from 0 to 40 °C and must not be exceeded, even for a short time, as otherwise there is a risk of magnetic weakening. All data with reference to our disclaimer.
General Data
Rated Speed 8.5 min-1
Nominal Voltage 24 V
Rated Current 0.95 A
Nominal Power 9.4 W
Max Power 9.4 W
Operating Mode S1
Degree Of Protection IP 41
Direction Of Rotation reversibel
Connection Type Freie Anschlusslitzen
Diameter 55.0 mm
Length 173.0 mm
Mechanical Data
Mass Moment Of Inertia 6e-05 · 10-3 kgm2
Nominal Torque 10.5 Nm
Nominal torque mixed current 10.5 Nm
Max. Continuous Torque 10.5 Nm
Starting Torque 20.0 Nm
Max. Starting Torque 20.0 Nm
Rated Current (Mixed Current) 0.95 A
Peak Current 2.3 A
Total weight M+G 1.5 kg
Total weight M+G+B 2.0 kg
FR (Permissible radial shaft load) 180.0
FA (Permissible axial shaft load) 150.0
Gear Data
Gear reduction 1 : 352
Bearing (Motor) Kugellager
Bearing (Gearbox) Kugellager
Power transmission input 12.0 W
Rated speed gearbox input 3000.0 min-1
Gearbox efficiency 80.0 %
Max Starting Torque 20.0 Nm
Max Backlash 55.0 min

GNM3125-GP48.2 - Motor Design

Brush holder opening will be accessible by removing the cover plate. Flange mounting with 4 threads, see drawing.
  • Motors also available with DC tacho generator and/or incremental encoder.
  • Motors also available in protection IP 54 and/or with device plug DIN 43650.
  • Design with brake in protection IP 54 and with cable connection.

Information

Tolerances according to VDE 0530. ± 10% for tolerances not specified according to VDE 0530. All values are only valid for use in the temperature range from 0 to 40 °C and must not be exceeded, even for a short time, as otherwise there is a risk of magnetic weakening. All data with reference to our disclaimer.
General Data
Rated Speed 6.7 min-1
Nominal Voltage 24 V
Rated Current 0.75 A
Nominal Power 6.3 W
Max Power 6.3 W
Operating Mode S1
Degree Of Protection IP 41
Direction Of Rotation reversibel
Connection Type Freie Anschlusslitzen
Diameter 55.0 mm
Length 173.0 mm
Mechanical Data
Mass Moment Of Inertia 6e-05 · 10-3 kgm2
Nominal Torque 9.0 Nm
Nominal torque mixed current 9.0 Nm
Max. Continuous Torque 9.0 Nm
Starting Torque 18.0 Nm
Max. Starting Torque 18.0 Nm
Rated Current (Mixed Current) 0.75 A
Peak Current 1.7 A
Total weight M+G 1.5 kg
Total weight M+G+B 2.0 kg
FR (Permissible radial shaft load) 180.0
FA (Permissible axial shaft load) 150.0
Gear Data
Gear reduction 1 : 450
Bearing (Motor) Kugellager
Bearing (Gearbox) Kugellager
Power transmission input 7.9 W
Rated speed gearbox input 3000.0 min-1
Gearbox efficiency 80.0 %
Max Starting Torque 18.0 Nm
Max Backlash 55.0 min

GNM3150-GP48.2 - Motor Design

Brush holder opening will be accessible by removing the cover plate. Flange mounting with 4 threads, see drawing.
  • Motors also available with DC tacho generator and/or incremental encoder.
  • Motors also available in protection IP 54 and/or with device plug DIN 43650.
  • Design with brake in protection IP 54 and with cable connection.

Information

Tolerances according to VDE 0530. ± 10% for tolerances not specified according to VDE 0530. All values are only valid for use in the temperature range from 0 to 40 °C and must not be exceeded, even for a short time, as otherwise there is a risk of magnetic weakening. All data with reference to our disclaimer.
General Data
Rated Speed 600.0 min-1
Nominal Voltage 24 V
Rated Current 3.1 A
Nominal Power 50.0 W
Max Power 63.0 W
Operating Mode S1
Degree Of Protection IP 41
Direction Of Rotation reversibel
Connection Type Freie Anschlusslitzen
Diameter 55.0 mm
Length 164.5 mm
Mechanical Data
Mass Moment Of Inertia 0.00017 · 10-3 kgm2
Nominal Torque 0.79 Nm
Nominal torque mixed current 0.51 Nm
Max. Continuous Torque 1.0 Nm
Starting Torque 2.6 Nm
Max. Starting Torque 3.0 Nm
Rated Current (Mixed Current) 2.2 A
Peak Current 17.1 A
Total weight M+G 1.5 kg
Total weight M+G+B 2.0 kg
FR (Permissible radial shaft load) 112.0
FA (Permissible axial shaft load) 100.0
Gear Data
Gear reduction 1 : 5
Bearing (Motor) Kugellager
Bearing (Gearbox) Kugellager
Power transmission input 55.0 W
Rated speed gearbox input 3000.0 min-1
Gearbox efficiency 90.0 %
Max Starting Torque 3.0 Nm
Max Backlash 80.0 min

GNM3150-GP48.2 - Motor Design

Brush holder opening will be accessible by removing the cover plate. Flange mounting with 4 threads, see drawing.
  • Motors also available with DC tacho generator and/or incremental encoder.
  • Motors also available in protection IP 54 and/or with device plug DIN 43650.
  • Design with brake in protection IP 54 and with cable connection.

Information

Tolerances according to VDE 0530. ± 10% for tolerances not specified according to VDE 0530. All values are only valid for use in the temperature range from 0 to 40 °C and must not be exceeded, even for a short time, as otherwise there is a risk of magnetic weakening. All data with reference to our disclaimer.
General Data
Rated Speed 500.0 min-1
Nominal Voltage 24 V
Rated Current 3.1 A
Nominal Power 50.0 W
Max Power 68.0 W
Operating Mode S1
Degree Of Protection IP 41
Direction Of Rotation reversibel
Connection Type Freie Anschlusslitzen
Diameter 55.0 mm
Length 164.5 mm
Mechanical Data
Mass Moment Of Inertia 0.00012 · 10-3 kgm2
Nominal Torque 0.95 Nm
Nominal torque mixed current 0.61 Nm
Max. Continuous Torque 1.3 Nm
Starting Torque 3.2 Nm
Max. Starting Torque 3.5 Nm
Rated Current (Mixed Current) 2.2 A
Peak Current 17.1 A
Total weight M+G 1.5 kg
Total weight M+G+B 2.0 kg
FR (Permissible radial shaft load) 112.0
FA (Permissible axial shaft load) 100.0
Gear Data
Gear reduction 1 : 6
Bearing (Motor) Kugellager
Bearing (Gearbox) Kugellager
Power transmission input 55.0 W
Rated speed gearbox input 3000.0 min-1
Gearbox efficiency 90.0 %
Max Starting Torque 3.5 Nm
Max Backlash 80.0 min

GNM3150-GP48.2 - Motor Design

Brush holder opening will be accessible by removing the cover plate. Flange mounting with 4 threads, see drawing.
  • Motors also available with DC tacho generator and/or incremental encoder.
  • Motors also available in protection IP 54 and/or with device plug DIN 43650.
  • Design with brake in protection IP 54 and with cable connection.

Information

Tolerances according to VDE 0530. ± 10% for tolerances not specified according to VDE 0530. All values are only valid for use in the temperature range from 0 to 40 °C and must not be exceeded, even for a short time, as otherwise there is a risk of magnetic weakening. All data with reference to our disclaimer.
General Data
Rated Speed 392.0 min-1
Nominal Voltage 24 V
Rated Current 2.7 A
Nominal Power 41.0 W
Max Power 41.0 W
Operating Mode S1
Degree Of Protection IP 41
Direction Of Rotation reversibel
Connection Type Freie Anschlusslitzen
Diameter 55.0 mm
Length 164.5 mm
Mechanical Data
Mass Moment Of Inertia 7e-05 · 10-3 kgm2
Nominal Torque 1.0 Nm
Nominal torque mixed current 0.79 Nm
Max. Continuous Torque 1.0 Nm
Starting Torque 3.0 Nm
Max. Starting Torque 3.0 Nm
Rated Current (Mixed Current) 2.2 A
Peak Current 12.8 A
Total weight M+G 1.5 kg
Total weight M+G+B 2.0 kg
FR (Permissible radial shaft load) 112.0
FA (Permissible axial shaft load) 100.0
Gear Data
Gear reduction 1 : 7
Bearing (Motor) Kugellager
Bearing (Gearbox) Kugellager
Power transmission input 46.0 W
Rated speed gearbox input 3000.0 min-1
Gearbox efficiency 90.0 %
Max Starting Torque 3.0 Nm
Max Backlash 80.0 min

GNM3150-GP48.2 - Motor Design

Brush holder opening will be accessible by removing the cover plate. Flange mounting with 4 threads, see drawing.
  • Motors also available with DC tacho generator and/or incremental encoder.
  • Motors also available in protection IP 54 and/or with device plug DIN 43650.
  • Design with brake in protection IP 54 and with cable connection.

Information

Tolerances according to VDE 0530. ± 10% for tolerances not specified according to VDE 0530. All values are only valid for use in the temperature range from 0 to 40 °C and must not be exceeded, even for a short time, as otherwise there is a risk of magnetic weakening. All data with reference to our disclaimer.
General Data
Rated Speed 143.0 min-1
Nominal Voltage 24 V
Rated Current 3.1 A
Nominal Power 47.0 W
Max Power 48.0 W
Operating Mode S1
Degree Of Protection IP 41
Direction Of Rotation reversibel
Connection Type Freie Anschlusslitzen
Diameter 55.0 mm
Length 181.0 mm
Mechanical Data
Mass Moment Of Inertia 0.00015 · 10-3 kgm2
Nominal Torque 3.1 Nm
Nominal torque mixed current 2.0 Nm
Max. Continuous Torque 3.2 Nm
Starting Torque 11.0 Nm
Max. Starting Torque 12.0 Nm
Rated Current (Mixed Current) 2.2 A
Peak Current 17.1 A
Total weight M+G 1.6 kg
Total weight M+G+B 2.1 kg
FR (Permissible radial shaft load) 150.0
FA (Permissible axial shaft load) 110.0
Gear Data
Gear reduction 1 : 21
Bearing (Motor) Kugellager
Bearing (Gearbox) Kugellager
Power transmission input 55.0 W
Rated speed gearbox input 3000.0 min-1
Gearbox efficiency 85.0 %
Max Starting Torque 12.0 Nm
Max Backlash 50.0 min

GNM3150-GP48.2 - Motor Design

Brush holder opening will be accessible by removing the cover plate. Flange mounting with 4 threads, see drawing.
  • Motors also available with DC tacho generator and/or incremental encoder.
  • Motors also available in protection IP 54 and/or with device plug DIN 43650.
  • Design with brake in protection IP 54 and with cable connection.

Information

Tolerances according to VDE 0530. ± 10% for tolerances not specified according to VDE 0530. All values are only valid for use in the temperature range from 0 to 40 °C and must not be exceeded, even for a short time, as otherwise there is a risk of magnetic weakening. All data with reference to our disclaimer.
General Data
Rated Speed 120.0 min-1
Nominal Voltage 24 V
Rated Current 3.1 A
Nominal Power 47.0 W
Max Power 50.0 W
Operating Mode S1
Degree Of Protection IP 41
Direction Of Rotation reversibel
Connection Type Freie Anschlusslitzen
Diameter 55.0 mm
Length 181.0 mm
Mechanical Data
Mass Moment Of Inertia 0.00014 · 10-3 kgm2
Nominal Torque 3.7 Nm
Nominal torque mixed current 2.4 Nm
Max. Continuous Torque 4.0 Nm
Starting Torque 13.0 Nm
Max. Starting Torque 14.5 Nm
Rated Current (Mixed Current) 2.2 A
Peak Current 17.1 A
Total weight M+G 1.6 kg
Total weight M+G+B 2.1 kg
FR (Permissible radial shaft load) 150.0
FA (Permissible axial shaft load) 110.0
Gear Data
Gear reduction 1 : 25
Bearing (Motor) Kugellager
Bearing (Gearbox) Kugellager
Power transmission input 55.0 W
Rated speed gearbox input 3000.0 min-1
Gearbox efficiency 85.0 %
Max Starting Torque 14.5 Nm
Max Backlash 50.0 min

GNM3150-GP48.2 - Motor Design

Brush holder opening will be accessible by removing the cover plate. Flange mounting with 4 threads, see drawing.
  • Motors also available with DC tacho generator and/or incremental encoder.
  • Motors also available in protection IP 54 and/or with device plug DIN 43650.
  • Design with brake in protection IP 54 and with cable connection.

Information

Tolerances according to VDE 0530. ± 10% for tolerances not specified according to VDE 0530. All values are only valid for use in the temperature range from 0 to 40 °C and must not be exceeded, even for a short time, as otherwise there is a risk of magnetic weakening. All data with reference to our disclaimer.
General Data
Rated Speed 100.0 min-1
Nominal Voltage 24 V
Rated Current 3.1 A
Nominal Power 47.0 W
Max Power 50.0 W
Operating Mode S1
Degree Of Protection IP 41
Direction Of Rotation reversibel
Connection Type Freie Anschlusslitzen
Diameter 55.0 mm
Length 181.0 mm
Mechanical Data
Mass Moment Of Inertia 0.0001 · 10-3 kgm2
Nominal Torque 4.5 Nm
Nominal torque mixed current 2.9 Nm
Max. Continuous Torque 4.8 Nm
Starting Torque 14.5 Nm
Max. Starting Torque 14.5 Nm
Rated Current (Mixed Current) 2.2 A
Peak Current 15.7 A
Total weight M+G 1.6 kg
Total weight M+G+B 2.1 kg
FR (Permissible radial shaft load) 150.0
FA (Permissible axial shaft load) 110.0
Gear Data
Gear reduction 1 : 30
Bearing (Motor) Kugellager
Bearing (Gearbox) Kugellager
Power transmission input 55.0 W
Rated speed gearbox input 3000.0 min-1
Gearbox efficiency 85.0 %
Max Starting Torque 14.5 Nm
Max Backlash 50.0 min

GNM3150-GP48.2 - Motor Design

Brush holder opening will be accessible by removing the cover plate. Flange mounting with 4 threads, see drawing.
  • Motors also available with DC tacho generator and/or incremental encoder.
  • Motors also available in protection IP 54 and/or with device plug DIN 43650.
  • Design with brake in protection IP 54 and with cable connection.

Information

Tolerances according to VDE 0530. ± 10% for tolerances not specified according to VDE 0530. All values are only valid for use in the temperature range from 0 to 40 °C and must not be exceeded, even for a short time, as otherwise there is a risk of magnetic weakening. All data with reference to our disclaimer.
General Data
Rated Speed 83.0 min-1
Nominal Voltage 24 V
Rated Current 3.1 A
Nominal Power 47.0 W
Max Power 48.0 W
Operating Mode S1
Degree Of Protection IP 41
Direction Of Rotation reversibel
Connection Type Freie Anschlusslitzen
Diameter 55.0 mm
Length 181.0 mm
Mechanical Data
Mass Moment Of Inertia 0.0001 · 10-3 kgm2
Nominal Torque 5.4 Nm
Nominal torque mixed current 3.5 Nm
Max. Continuous Torque 5.5 Nm
Starting Torque 16.0 Nm
Max. Starting Torque 16.0 Nm
Rated Current (Mixed Current) 2.2 A
Peak Current 14.5 A
Total weight M+G 1.6 kg
Total weight M+G+B 2.1 kg
FR (Permissible radial shaft load) 150.0
FA (Permissible axial shaft load) 110.0
Gear Data
Gear reduction 1 : 36
Bearing (Motor) Kugellager
Bearing (Gearbox) Kugellager
Power transmission input 55.0 W
Rated speed gearbox input 3000.0 min-1
Gearbox efficiency 85.0 %
Max Starting Torque 16.0 Nm
Max Backlash 50.0 min

GNM3150-GP48.2 - Motor Design

Brush holder opening will be accessible by removing the cover plate. Flange mounting with 4 threads, see drawing.
  • Motors also available with DC tacho generator and/or incremental encoder.
  • Motors also available in protection IP 54 and/or with device plug DIN 43650.
  • Design with brake in protection IP 54 and with cable connection.

Information

Tolerances according to VDE 0530. ± 10% for tolerances not specified according to VDE 0530. All values are only valid for use in the temperature range from 0 to 40 °C and must not be exceeded, even for a short time, as otherwise there is a risk of magnetic weakening. All data with reference to our disclaimer.
General Data
Rated Speed 65.0 min-1
Nominal Voltage 24 V
Rated Current 2.6 A
Nominal Power 38.0 W
Max Power 38.0 W
Operating Mode S1
Degree Of Protection IP 41
Direction Of Rotation reversibel
Connection Type Freie Anschlusslitzen
Diameter 55.0 mm
Length 181.0 mm
Mechanical Data
Mass Moment Of Inertia 6e-05 · 10-3 kgm2
Nominal Torque 5.6 Nm
Nominal torque mixed current 4.5 Nm
Max. Continuous Torque 5.6 Nm
Starting Torque 16.0 Nm
Max. Starting Torque 16.0 Nm
Rated Current (Mixed Current) 2.2 A
Peak Current 11.4 A
Total weight M+G 1.6 kg
Total weight M+G+B 2.1 kg
FR (Permissible radial shaft load) 150.0
FA (Permissible axial shaft load) 110.0
Gear Data
Gear reduction 1 : 46
Bearing (Motor) Kugellager
Bearing (Gearbox) Kugellager
Power transmission input 45.0 W
Rated speed gearbox input 3000.0 min-1
Gearbox efficiency 85.0 %
Max Starting Torque 16.0 Nm
Max Backlash 50.0 min

GNM3150-GP48.2 - Motor Design

Brush holder opening will be accessible by removing the cover plate. Flange mounting with 4 threads, see drawing.
  • Motors also available with DC tacho generator and/or incremental encoder.
  • Motors also available in protection IP 54 and/or with device plug DIN 43650.
  • Design with brake in protection IP 54 and with cable connection.

Information

Tolerances according to VDE 0530. ± 10% for tolerances not specified according to VDE 0530. All values are only valid for use in the temperature range from 0 to 40 °C and must not be exceeded, even for a short time, as otherwise there is a risk of magnetic weakening. All data with reference to our disclaimer.
General Data
Rated Speed 51.0 min-1
Nominal Voltage 24 V
Rated Current 2.3 A
Nominal Power 32.0 W
Max Power 32.0 W
Operating Mode S1
Degree Of Protection IP 41
Direction Of Rotation reversibel
Connection Type Freie Anschlusslitzen
Diameter 55.0 mm
Length 181.0 mm
Mechanical Data
Mass Moment Of Inertia 6e-05 · 10-3 kgm2
Nominal Torque 6.0 Nm
Nominal torque mixed current 5.7 Nm
Max. Continuous Torque 6.0 Nm
Starting Torque 16.0 Nm
Max. Starting Torque 16.0 Nm
Rated Current (Mixed Current) 2.2 A
Peak Current 9.0 A
Total weight M+G 1.6 kg
Total weight M+G+B 2.1 kg
FR (Permissible radial shaft load) 150.0
FA (Permissible axial shaft load) 110.0
Gear Data
Gear reduction 1 : 59
Bearing (Motor) Kugellager
Bearing (Gearbox) Kugellager
Power transmission input 38.0 W
Rated speed gearbox input 3000.0 min-1
Gearbox efficiency 85.0 %
Max Starting Torque 16.0 Nm
Max Backlash 50.0 min

GNM3150-GP48.3 - Motor Design

Brush holder opening will be accessible by removing the cover plate. Flange mounting with 4 threads, see drawing.
  • Motors also available with DC tacho generator and/or incremental encoder.
  • Motors also available in protection IP 54 and/or with device plug DIN 43650.
  • Design with brake in protection IP 54 and with cable connection.

Information

Tolerances according to VDE 0530. ± 10% for tolerances not specified according to VDE 0530. All values are only valid for use in the temperature range from 0 to 40 °C and must not be exceeded, even for a short time, as otherwise there is a risk of magnetic weakening. All data with reference to our disclaimer.
General Data
Rated Speed 32.0 min-1
Nominal Voltage 24 V
Rated Current 3.1 A
Nominal Power 44.0 W
Max Power 55.0 W
Operating Mode S1
Degree Of Protection IP 41
Direction Of Rotation reversibel
Connection Type Freie Anschlusslitzen
Diameter 55.0 mm
Length 198.0 mm
Mechanical Data
Mass Moment Of Inertia 0.00021 · 10-3 kgm2
Nominal Torque 13.2 Nm
Nominal torque mixed current 8.6 Nm
Max. Continuous Torque 16.5 Nm
Starting Torque 25.0 Nm
Max. Starting Torque 25.0 Nm
Rated Current (Mixed Current) 2.2 A
Peak Current 8.8 A
Total weight M+G 1.9 kg
Total weight M+G+B 2.3 kg
FR (Permissible radial shaft load) 180.0
FA (Permissible axial shaft load) 150.0
Gear Data
Gear reduction 1 : 94
Bearing (Motor) Kugellager
Bearing (Gearbox) Kugellager
Power transmission input 55.0 W
Rated speed gearbox input 3000.0 min-1
Gearbox efficiency 80.0 %
Max Starting Torque 25.0 Nm
Max Backlash 25.0 min

GNM3150-GP48.3 - Motor Design

Brush holder opening will be accessible by removing the cover plate. Flange mounting with 4 threads, see drawing.
  • Motors also available with DC tacho generator and/or incremental encoder.
  • Motors also available in protection IP 54 and/or with device plug DIN 43650.
  • Design with brake in protection IP 54 and with cable connection.

Information

Tolerances according to VDE 0530. ± 10% for tolerances not specified according to VDE 0530. All values are only valid for use in the temperature range from 0 to 40 °C and must not be exceeded, even for a short time, as otherwise there is a risk of magnetic weakening. All data with reference to our disclaimer.
General Data
Rated Speed 24.0 min-1
Nominal Voltage 24 V
Rated Current 2.5 A
Nominal Power 34.0 W
Max Power 34.0 W
Operating Mode S1
Degree Of Protection IP 41
Direction Of Rotation reversibel
Connection Type Freie Anschlusslitzen
Diameter 55.0 mm
Length 198.0 mm
Mechanical Data
Mass Moment Of Inertia 0.00021 · 10-3 kgm2
Nominal Torque 13.5 Nm
Nominal torque mixed current 11.4 Nm
Max. Continuous Torque 13.5 Nm
Starting Torque 25.0 Nm
Max. Starting Torque 25.0 Nm
Rated Current (Mixed Current) 2.2 A
Peak Current 6.7 A
Total weight M+G 1.9 kg
Total weight M+G+B 2.3 kg
FR (Permissible radial shaft load) 180.0
FA (Permissible axial shaft load) 150.0
Gear Data
Gear reduction 1 : 125
Bearing (Motor) Kugellager
Bearing (Gearbox) Kugellager
Power transmission input 42.0 W
Rated speed gearbox input 3000.0 min-1
Gearbox efficiency 80.0 %
Max Starting Torque 25.0 Nm
Max Backlash 25.0 min

GNM3150-GP48.3 - Motor Design

Brush holder opening will be accessible by removing the cover plate. Flange mounting with 4 threads, see drawing.
  • Motors also available with DC tacho generator and/or incremental encoder.
  • Motors also available in protection IP 54 and/or with device plug DIN 43650.
  • Design with brake in protection IP 54 and with cable connection.

Information

Tolerances according to VDE 0530. ± 10% for tolerances not specified according to VDE 0530. All values are only valid for use in the temperature range from 0 to 40 °C and must not be exceeded, even for a short time, as otherwise there is a risk of magnetic weakening. All data with reference to our disclaimer.
General Data
Rated Speed 20.0 min-1
Nominal Voltage 24 V
Rated Current 2.1 A
Nominal Power 28.0 W
Max Power 28.0 W
Operating Mode S1
Degree Of Protection IP 41
Direction Of Rotation reversibel
Connection Type Freie Anschlusslitzen
Diameter 55.0 mm
Length 198.0 mm
Mechanical Data
Mass Moment Of Inertia 0.00015 · 10-3 kgm2
Nominal Torque 13.5 Nm
Nominal torque mixed current 13.5 Nm
Max. Continuous Torque 13.5 Nm
Starting Torque 25.0 Nm
Max. Starting Torque 25.0 Nm
Rated Current (Mixed Current) 2.1 A
Peak Current 5.7 A
Total weight M+G 1.9 kg
Total weight M+G+B 2.3 kg
FR (Permissible radial shaft load) 180.0
FA (Permissible axial shaft load) 150.0
Gear Data
Gear reduction 1 : 150
Bearing (Motor) Kugellager
Bearing (Gearbox) Kugellager
Power transmission input 35.0 W
Rated speed gearbox input 3000.0 min-1
Gearbox efficiency 80.0 %
Max Starting Torque 25.0 Nm
Max Backlash 25.0 min

GNM3150-GP48.3 - Motor Design

Brush holder opening will be accessible by removing the cover plate. Flange mounting with 4 threads, see drawing.
  • Motors also available with DC tacho generator and/or incremental encoder.
  • Motors also available in protection IP 54 and/or with device plug DIN 43650.
  • Design with brake in protection IP 54 and with cable connection.

Information

Tolerances according to VDE 0530. ± 10% for tolerances not specified according to VDE 0530. All values are only valid for use in the temperature range from 0 to 40 °C and must not be exceeded, even for a short time, as otherwise there is a risk of magnetic weakening. All data with reference to our disclaimer.
General Data
Rated Speed 17.0 min-1
Nominal Voltage 24 V
Rated Current 1.9 A
Nominal Power 24.0 W
Max Power 24.0 W
Operating Mode S1
Degree Of Protection IP 41
Direction Of Rotation reversibel
Connection Type Freie Anschlusslitzen
Diameter 55.0 mm
Length 198.0 mm
Mechanical Data
Mass Moment Of Inertia 0.00015 · 10-3 kgm2
Nominal Torque 13.5 Nm
Nominal torque mixed current 13.5 Nm
Max. Continuous Torque 13.5 Nm
Starting Torque 25.0 Nm
Max. Starting Torque 25.0 Nm
Rated Current (Mixed Current) 1.9 A
Peak Current 4.8 A
Total weight M+G 1.9 kg
Total weight M+G+B 2.3 kg
FR (Permissible radial shaft load) 180.0
FA (Permissible axial shaft load) 150.0
Gear Data
Gear reduction 1 : 180
Bearing (Motor) Kugellager
Bearing (Gearbox) Kugellager
Power transmission input 30.0 W
Rated speed gearbox input 3000.0 min-1
Gearbox efficiency 80.0 %
Max Starting Torque 25.0 Nm
Max Backlash 25.0 min

GNM3150-GP48.3 - Motor Design

Brush holder opening will be accessible by removing the cover plate. Flange mounting with 4 threads, see drawing.
  • Motors also available with DC tacho generator and/or incremental encoder.
  • Motors also available in protection IP 54 and/or with device plug DIN 43650.
  • Design with brake in protection IP 54 and with cable connection.

Information

Tolerances according to VDE 0530. ± 10% for tolerances not specified according to VDE 0530. All values are only valid for use in the temperature range from 0 to 40 °C and must not be exceeded, even for a short time, as otherwise there is a risk of magnetic weakening. All data with reference to our disclaimer.
General Data
Rated Speed 14.0 min-1
Nominal Voltage 24 V
Rated Current 1.9 A
Nominal Power 24.0 W
Max Power 24.0 W
Operating Mode S1
Degree Of Protection IP 41
Direction Of Rotation reversibel
Connection Type Freie Anschlusslitzen
Diameter 55.0 mm
Length 198.0 mm
Mechanical Data
Mass Moment Of Inertia 0.00015 · 10-3 kgm2
Nominal Torque 16.5 Nm
Nominal torque mixed current 16.5 Nm
Max. Continuous Torque 16.5 Nm
Starting Torque 25.0 Nm
Max. Starting Torque 25.0 Nm
Rated Current (Mixed Current) 1.9 A
Peak Current 4.1 A
Total weight M+G 1.9 kg
Total weight M+G+B 2.3 kg
FR (Permissible radial shaft load) 180.0
FA (Permissible axial shaft load) 150.0
Gear Data
Gear reduction 1 : 216
Bearing (Motor) Kugellager
Bearing (Gearbox) Kugellager
Power transmission input 30.0 W
Rated speed gearbox input 3000.0 min-1
Gearbox efficiency 80.0 %
Max Starting Torque 25.0 Nm
Max Backlash 25.0 min

GNM3150-GP48.3 - Motor Design

Brush holder opening will be accessible by removing the cover plate. Flange mounting with 4 threads, see drawing.
  • Motors also available with DC tacho generator and/or incremental encoder.
  • Motors also available in protection IP 54 and/or with device plug DIN 43650.
  • Design with brake in protection IP 54 and with cable connection.

Information

Tolerances according to VDE 0530. ± 10% for tolerances not specified according to VDE 0530. All values are only valid for use in the temperature range from 0 to 40 °C and must not be exceeded, even for a short time, as otherwise there is a risk of magnetic weakening. All data with reference to our disclaimer.
General Data
Rated Speed 10.0 min-1
Nominal Voltage 24 V
Rated Current 1.3 A
Nominal Power 15.0 W
Max Power 15.0 W
Operating Mode S1
Degree Of Protection IP 41
Direction Of Rotation reversibel
Connection Type Freie Anschlusslitzen
Diameter 55.0 mm
Length 198.0 mm
Mechanical Data
Mass Moment Of Inertia 9e-05 · 10-3 kgm2
Nominal Torque 13.5 Nm
Nominal torque mixed current 13.5 Nm
Max. Continuous Torque 13.5 Nm
Starting Torque 25.0 Nm
Max. Starting Torque 25.0 Nm
Rated Current (Mixed Current) 1.3 A
Peak Current 3.1 A
Total weight M+G 1.9 kg
Total weight M+G+B 2.3 kg
FR (Permissible radial shaft load) 180.0
FA (Permissible axial shaft load) 150.0
Gear Data
Gear reduction 1 : 293
Bearing (Motor) Kugellager
Bearing (Gearbox) Kugellager
Power transmission input 18.0 W
Rated speed gearbox input 3000.0 min-1
Gearbox efficiency 80.0 %
Max Starting Torque 25.0 Nm
Max Backlash 25.0 min

GNM3150-GP48.3 - Motor Design

Brush holder opening will be accessible by removing the cover plate. Flange mounting with 4 threads, see drawing.
  • Motors also available with DC tacho generator and/or incremental encoder.
  • Motors also available in protection IP 54 and/or with device plug DIN 43650.
  • Design with brake in protection IP 54 and with cable connection.

Information

Tolerances according to VDE 0530. ± 10% for tolerances not specified according to VDE 0530. All values are only valid for use in the temperature range from 0 to 40 °C and must not be exceeded, even for a short time, as otherwise there is a risk of magnetic weakening. All data with reference to our disclaimer.
General Data
Rated Speed 8.5 min-1
Nominal Voltage 24 V
Rated Current 1.3 A
Nominal Power 15.0 W
Max Power 15.0 W
Operating Mode S1
Degree Of Protection IP 41
Direction Of Rotation reversibel
Connection Type Freie Anschlusslitzen
Diameter 55.0 mm
Length 198.0 mm
Mechanical Data
Mass Moment Of Inertia 9e-05 · 10-3 kgm2
Nominal Torque 16.5 Nm
Nominal torque mixed current 16.5 Nm
Max. Continuous Torque 16.5 Nm
Starting Torque 25.0 Nm
Max. Starting Torque 25.0 Nm
Rated Current (Mixed Current) 1.3 A
Peak Current 2.7 A
Total weight M+G 1.9 kg
Total weight M+G+B 2.3 kg
FR (Permissible radial shaft load) 180.0
FA (Permissible axial shaft load) 150.0
Gear Data
Gear reduction 1 : 352
Bearing (Motor) Kugellager
Bearing (Gearbox) Kugellager
Power transmission input 18.0 W
Rated speed gearbox input 3000.0 min-1
Gearbox efficiency 80.0 %
Max Starting Torque 25.0 Nm
Max Backlash 25.0 min

GNM3150-GP48.3 - Motor Design

Brush holder opening will be accessible by removing the cover plate. Flange mounting with 4 threads, see drawing.
  • Motors also available with DC tacho generator and/or incremental encoder.
  • Motors also available in protection IP 54 and/or with device plug DIN 43650.
  • Design with brake in protection IP 54 and with cable connection.

Information

Tolerances according to VDE 0530. ± 10% for tolerances not specified according to VDE 0530. All values are only valid for use in the temperature range from 0 to 40 °C and must not be exceeded, even for a short time, as otherwise there is a risk of magnetic weakening. All data with reference to our disclaimer.
General Data
Rated Speed 6.7 min-1
Nominal Voltage 24 V
Rated Current 0.76 A
Nominal Power 5.9 W
Max Power 5.9 W
Operating Mode S1
Degree Of Protection IP 41
Direction Of Rotation reversibel
Connection Type Freie Anschlusslitzen
Diameter 55.0 mm
Length 198.0 mm
Mechanical Data
Mass Moment Of Inertia 9e-05 · 10-3 kgm2
Nominal Torque 8.5 Nm
Nominal torque mixed current 8.5 Nm
Max. Continuous Torque 8.5 Nm
Starting Torque 25.0 Nm
Max. Starting Torque 25.0 Nm
Rated Current (Mixed Current) 0.76 A
Peak Current 2.2 A
Total weight M+G 1.9 kg
Total weight M+G+B 2.3 kg
FR (Permissible radial shaft load) 180.0
FA (Permissible axial shaft load) 150.0
Gear Data
Gear reduction 1 : 450
Bearing (Motor) Kugellager
Bearing (Gearbox) Kugellager
Power transmission input 7.4 W
Rated speed gearbox input 3000.0 min-1
Gearbox efficiency 80.0 %
Max Starting Torque 25.0 Nm
Max Backlash 25.0 min

GNM3175-GP48.3 - Motor Design

Brush holder opening will be accessible by removing the cover plate. Flange mounting with 4 threads, see drawing.
  • Motors also available with DC tacho generator and/or incremental encoder.
  • Motors also available in protection IP 54 and/or with device plug DIN 43650.
  • Design with brake in protection IP 54 and with cable connection.

Information

Tolerances according to VDE 0530. ± 10% for tolerances not specified according to VDE 0530. All values are only valid for use in the temperature range from 0 to 40 °C and must not be exceeded, even for a short time, as otherwise there is a risk of magnetic weakening. All data with reference to our disclaimer.
General Data
Rated Speed 600.0 min-1
Nominal Voltage 24 V
Rated Current 4.1 A
Nominal Power 68.0 W
Max Power 140.0 W
Operating Mode S1
Degree Of Protection IP 41
Direction Of Rotation reversibel
Connection Type Freie Anschlusslitzen
Diameter 55.0 mm
Length 190.5 mm
Mechanical Data
Mass Moment Of Inertia 0.00017 · 10-3 kgm2
Nominal Torque 1.1 Nm
Nominal torque mixed current 0.71 Nm
Max. Continuous Torque 2.2 Nm
Starting Torque 4.1 Nm
Max. Starting Torque 8.0 Nm
Rated Current (Mixed Current) 2.9 A
Peak Current 25.0 A
Total weight M+G 1.85 kg
Total weight M+G+B 2.25 kg
FR (Permissible radial shaft load) 112.0
FA (Permissible axial shaft load) 100.0
Gear Data
Gear reduction 1 : 5
Bearing (Motor) Kugellager
Bearing (Gearbox) Kugellager
Power transmission input 75.0 W
Rated speed gearbox input 3000.0 min-1
Gearbox efficiency 90.0 %
Max Starting Torque 8.0 Nm
Max Backlash 15.0 min

GNM3175-GP48.3 - Motor Design

Brush holder opening will be accessible by removing the cover plate. Flange mounting with 4 threads, see drawing.
  • Motors also available with DC tacho generator and/or incremental encoder.
  • Motors also available in protection IP 54 and/or with device plug DIN 43650.
  • Design with brake in protection IP 54 and with cable connection.

Information

Tolerances according to VDE 0530. ± 10% for tolerances not specified according to VDE 0530. All values are only valid for use in the temperature range from 0 to 40 °C and must not be exceeded, even for a short time, as otherwise there is a risk of magnetic weakening. All data with reference to our disclaimer.
General Data
Rated Speed 500.0 min-1
Nominal Voltage 24 V
Rated Current 4.1 A
Nominal Power 68.0 W
Max Power 140.0 W
Operating Mode S1
Degree Of Protection IP 41
Direction Of Rotation reversibel
Connection Type Freie Anschlusslitzen
Diameter 55.0 mm
Length 190.5 mm
Mechanical Data
Mass Moment Of Inertia 0.00012 · 10-3 kgm2
Nominal Torque 1.3 Nm
Nominal torque mixed current 0.85 Nm
Max. Continuous Torque 2.7 Nm
Starting Torque 5.0 Nm
Max. Starting Torque 8.0 Nm
Rated Current (Mixed Current) 2.9 A
Peak Current 25.0 A
Total weight M+G 1.85 kg
Total weight M+G+B 2.25 kg
FR (Permissible radial shaft load) 112.0
FA (Permissible axial shaft load) 100.0
Gear Data
Gear reduction 1 : 6
Bearing (Motor) Kugellager
Bearing (Gearbox) Kugellager
Power transmission input 75.0 W
Rated speed gearbox input 3000.0 min-1
Gearbox efficiency 90.0 %
Max Starting Torque 8.0 Nm
Max Backlash 15.0 min

GNM3175-GP48.3 - Motor Design

Brush holder opening will be accessible by removing the cover plate. Flange mounting with 4 threads, see drawing.
  • Motors also available with DC tacho generator and/or incremental encoder.
  • Motors also available in protection IP 54 and/or with device plug DIN 43650.
  • Design with brake in protection IP 54 and with cable connection.

Information

Tolerances according to VDE 0530. ± 10% for tolerances not specified according to VDE 0530. All values are only valid for use in the temperature range from 0 to 40 °C and must not be exceeded, even for a short time, as otherwise there is a risk of magnetic weakening. All data with reference to our disclaimer.
General Data
Rated Speed 392.0 min-1
Nominal Voltage 24 V
Rated Current 4.1 A
Nominal Power 68.0 W
Max Power 140.0 W
Operating Mode S1
Degree Of Protection IP 41
Direction Of Rotation reversibel
Connection Type Freie Anschlusslitzen
Diameter 55.0 mm
Length 190.5 mm
Mechanical Data
Mass Moment Of Inertia 7e-05 · 10-3 kgm2
Nominal Torque 1.6 Nm
Nominal torque mixed current 1.1 Nm
Max. Continuous Torque 3.4 Nm
Starting Torque 6.3 Nm
Max. Starting Torque 8.0 Nm
Rated Current (Mixed Current) 2.9 A
Peak Current 25.0 A
Total weight M+G 1.85 kg
Total weight M+G+B 2.25 kg
FR (Permissible radial shaft load) 112.0
FA (Permissible axial shaft load) 100.0
Gear Data
Gear reduction 1 : 7
Bearing (Motor) Kugellager
Bearing (Gearbox) Kugellager
Power transmission input 75.0 W
Rated speed gearbox input 3000.0 min-1
Gearbox efficiency 90.0 %
Max Starting Torque 8.0 Nm
Max Backlash 15.0 min

GNM3175-GP48.3 - Motor Design

Brush holder opening will be accessible by removing the cover plate. Flange mounting with 4 threads, see drawing.
  • Motors also available with DC tacho generator and/or incremental encoder.
  • Motors also available in protection IP 54 and/or with device plug DIN 43650.
  • Design with brake in protection IP 54 and with cable connection.

Information

Tolerances according to VDE 0530. ± 10% for tolerances not specified according to VDE 0530. All values are only valid for use in the temperature range from 0 to 40 °C and must not be exceeded, even for a short time, as otherwise there is a risk of magnetic weakening. All data with reference to our disclaimer.
General Data
Rated Speed 143.0 min-1
Nominal Voltage 24 V
Rated Current 4.1 A
Nominal Power 64.0 W
Max Power 140.0 W
Operating Mode S1
Degree Of Protection IP 41
Direction Of Rotation reversibel
Connection Type Freie Anschlusslitzen
Diameter 55.0 mm
Length 207.0 mm
Mechanical Data
Mass Moment Of Inertia 0.00015 · 10-3 kgm2
Nominal Torque 4.3 Nm
Nominal torque mixed current 2.8 Nm
Max. Continuous Torque 9.5 Nm
Starting Torque 17.0 Nm
Max. Starting Torque 22.0 Nm
Rated Current (Mixed Current) 2.9 A
Peak Current 25.0 A
Total weight M+G 2.05 kg
Total weight M+G+B 2.45 kg
FR (Permissible radial shaft load) 150.0
FA (Permissible axial shaft load) 110.0
Gear Data
Gear reduction 1 : 21
Bearing (Motor) Kugellager
Bearing (Gearbox) Kugellager
Power transmission input 75.0 W
Rated speed gearbox input 3000.0 min-1
Gearbox efficiency 85.0 %
Max Starting Torque 22.0 Nm
Max Backlash 20.0 min

GNM3175-GP48.3 - Motor Design

Brush holder opening will be accessible by removing the cover plate. Flange mounting with 4 threads, see drawing.
  • Motors also available with DC tacho generator and/or incremental encoder.
  • Motors also available in protection IP 54 and/or with device plug DIN 43650.
  • Design with brake in protection IP 54 and with cable connection.

Information

Tolerances according to VDE 0530. ± 10% for tolerances not specified according to VDE 0530. All values are only valid for use in the temperature range from 0 to 40 °C and must not be exceeded, even for a short time, as otherwise there is a risk of magnetic weakening. All data with reference to our disclaimer.
General Data
Rated Speed 120.0 min-1
Nominal Voltage 24 V
Rated Current 4.1 A
Nominal Power 64.0 W
Max Power 140.0 W
Operating Mode S1
Degree Of Protection IP 41
Direction Of Rotation reversibel
Connection Type Freie Anschlusslitzen
Diameter 55.0 mm
Length 207.0 mm
Mechanical Data
Mass Moment Of Inertia 0.00014 · 10-3 kgm2
Nominal Torque 5.1 Nm
Nominal torque mixed current 3.3 Nm
Max. Continuous Torque 11.0 Nm
Starting Torque 21.0 Nm
Max. Starting Torque 25.0 Nm
Rated Current (Mixed Current) 2.9 A
Peak Current 25.0 A
Total weight M+G 2.05 kg
Total weight M+G+B 2.45 kg
FR (Permissible radial shaft load) 150.0
FA (Permissible axial shaft load) 110.0
Gear Data
Gear reduction 1 : 25
Bearing (Motor) Kugellager
Bearing (Gearbox) Kugellager
Power transmission input 75.0 W
Rated speed gearbox input 3000.0 min-1
Gearbox efficiency 85.0 %
Max Starting Torque 25.0 Nm
Max Backlash 20.0 min

GNM3175-GP48.3 - Motor Design

Brush holder opening will be accessible by removing the cover plate. Flange mounting with 4 threads, see drawing.
  • Motors also available with DC tacho generator and/or incremental encoder.
  • Motors also available in protection IP 54 and/or with device plug DIN 43650.
  • Design with brake in protection IP 54 and with cable connection.

Information

Tolerances according to VDE 0530. ± 10% for tolerances not specified according to VDE 0530. All values are only valid for use in the temperature range from 0 to 40 °C and must not be exceeded, even for a short time, as otherwise there is a risk of magnetic weakening. All data with reference to our disclaimer.
General Data
Rated Speed 100.0 min-1
Nominal Voltage 24 V
Rated Current 4.1 A
Nominal Power 64.0 W
Max Power 140.0 W
Operating Mode S1
Degree Of Protection IP 41
Direction Of Rotation reversibel
Connection Type Freie Anschlusslitzen
Diameter 55.0 mm
Length 207.0 mm
Mechanical Data
Mass Moment Of Inertia 0.0001 · 10-3 kgm2
Nominal Torque 6.1 Nm
Nominal torque mixed current 4.0 Nm
Max. Continuous Torque 13.5 Nm
Starting Torque 25.0 Nm
Max. Starting Torque 25.0 Nm
Rated Current (Mixed Current) 2.9 A
Peak Current 25.0 A
Total weight M+G 2.05 kg
Total weight M+G+B 2.45 kg
FR (Permissible radial shaft load) 150.0
FA (Permissible axial shaft load) 110.0
Gear Data
Gear reduction 1 : 30
Bearing (Motor) Kugellager
Bearing (Gearbox) Kugellager
Power transmission input 75.0 W
Rated speed gearbox input 3000.0 min-1
Gearbox efficiency 85.0 %
Max Starting Torque 25.0 Nm
Max Backlash 20.0 min

GNM3175-GP48.3 - Motor Design

Brush holder opening will be accessible by removing the cover plate. Flange mounting with 4 threads, see drawing.
  • Motors also available with DC tacho generator and/or incremental encoder.
  • Motors also available in protection IP 54 and/or with device plug DIN 43650.
  • Design with brake in protection IP 54 and with cable connection.

Information

Tolerances according to VDE 0530. ± 10% for tolerances not specified according to VDE 0530. All values are only valid for use in the temperature range from 0 to 40 °C and must not be exceeded, even for a short time, as otherwise there is a risk of magnetic weakening. All data with reference to our disclaimer.
General Data
Rated Speed 83.0 min-1
Nominal Voltage 24 V
Rated Current 4.1 A
Nominal Power 64.0 W
Max Power 145.0 W
Operating Mode S1
Degree Of Protection IP 41
Direction Of Rotation reversibel
Connection Type Freie Anschlusslitzen
Diameter 55.0 mm
Length 207.0 mm
Mechanical Data
Mass Moment Of Inertia 0.0001 · 10-3 kgm2
Nominal Torque 7.3 Nm
Nominal torque mixed current 4.8 Nm
Max. Continuous Torque 16.5 Nm
Starting Torque 25.0 Nm
Max. Starting Torque 25.0 Nm
Rated Current (Mixed Current) 2.9 A
Peak Current 22.0 A
Total weight M+G 2.05 kg
Total weight M+G+B 2.45 kg
FR (Permissible radial shaft load) 150.0
FA (Permissible axial shaft load) 110.0
Gear Data
Gear reduction 1 : 36
Bearing (Motor) Kugellager
Bearing (Gearbox) Kugellager
Power transmission input 75.0 W
Rated speed gearbox input 3000.0 min-1
Gearbox efficiency 85.0 %
Max Starting Torque 25.0 Nm
Max Backlash 20.0 min

GNM3175-GP48.3 - Motor Design

Brush holder opening will be accessible by removing the cover plate. Flange mounting with 4 threads, see drawing.
  • Motors also available with DC tacho generator and/or incremental encoder.
  • Motors also available in protection IP 54 and/or with device plug DIN 43650.
  • Design with brake in protection IP 54 and with cable connection.

Information

Tolerances according to VDE 0530. ± 10% for tolerances not specified according to VDE 0530. All values are only valid for use in the temperature range from 0 to 40 °C and must not be exceeded, even for a short time, as otherwise there is a risk of magnetic weakening. All data with reference to our disclaimer.
General Data
Rated Speed 65.0 min-1
Nominal Voltage 24 V
Rated Current 4.1 A
Nominal Power 64.0 W
Max Power 115.0 W
Operating Mode S1
Degree Of Protection IP 41
Direction Of Rotation reversibel
Connection Type Freie Anschlusslitzen
Diameter 55.0 mm
Length 207.0 mm
Mechanical Data
Mass Moment Of Inertia 6e-05 · 10-3 kgm2
Nominal Torque 9.3 Nm
Nominal torque mixed current 6.2 Nm
Max. Continuous Torque 16.5 Nm
Starting Torque 25.0 Nm
Max. Starting Torque 25.0 Nm
Rated Current (Mixed Current) 2.9 A
Peak Current 17.0 A
Total weight M+G 2.05 kg
Total weight M+G+B 2.45 kg
FR (Permissible radial shaft load) 150.0
FA (Permissible axial shaft load) 110.0
Gear Data
Gear reduction 1 : 46
Bearing (Motor) Kugellager
Bearing (Gearbox) Kugellager
Power transmission input 75.0 W
Rated speed gearbox input 3000.0 min-1
Gearbox efficiency 85.0 %
Max Starting Torque 25.0 Nm
Max Backlash 20.0 min

GNM3175-GP48.3 - Motor Design

Brush holder opening will be accessible by removing the cover plate. Flange mounting with 4 threads, see drawing.
  • Motors also available with DC tacho generator and/or incremental encoder.
  • Motors also available in protection IP 54 and/or with device plug DIN 43650.
  • Design with brake in protection IP 54 and with cable connection.

Information

Tolerances according to VDE 0530. ± 10% for tolerances not specified according to VDE 0530. All values are only valid for use in the temperature range from 0 to 40 °C and must not be exceeded, even for a short time, as otherwise there is a risk of magnetic weakening. All data with reference to our disclaimer.
General Data
Rated Speed 51.0 min-1
Nominal Voltage 24 V
Rated Current 3.1 A
Nominal Power 45.0 W
Max Power 45.0 W
Operating Mode S1
Degree Of Protection IP 41
Direction Of Rotation reversibel
Connection Type Freie Anschlusslitzen
Diameter 55.0 mm
Length 207.0 mm
Mechanical Data
Mass Moment Of Inertia 6e-05 · 10-3 kgm2
Nominal Torque 8.5 Nm
Nominal torque mixed current 7.9 Nm
Max. Continuous Torque 8.5 Nm
Starting Torque 25.0 Nm
Max. Starting Torque 25.0 Nm
Rated Current (Mixed Current) 2.9 A
Peak Current 13.0 A
Total weight M+G 2.05 kg
Total weight M+G+B 2.45 kg
FR (Permissible radial shaft load) 150.0
FA (Permissible axial shaft load) 110.0
Gear Data
Gear reduction 1 : 59
Bearing (Motor) Kugellager
Bearing (Gearbox) Kugellager
Power transmission input 53.0 W
Rated speed gearbox input 3000.0 min-1
Gearbox efficiency 85.0 %
Max Starting Torque 25.0 Nm
Max Backlash 20.0 min

GNM4175A-GP48.3 - Motor Design

Brush holder opening will be accessible by removing the cover plate. Flange mounting with 4 threads, see drawing.
  • Motors also available with DC-tachometer and/ or incremental encoder

Information

Tolerances according to VDE 0530. ± 10% for tolerances not specified according to VDE 0530. All values are only valid for use in the temperature range from 0 to 40 °C and must not be exceeded, even for a short time, as otherwise there is a risk of magnetic weakening. All data with reference to our disclaimer.
General Data
Rated Speed 600.0 min-1
Nominal Voltage 24 V
Rated Current 7.5 A
Nominal Power 125.0 W
Max Power 140.0 W
Operating Mode S1
Degree Of Protection IP 54
Direction Of Rotation reversibel
Connection Type Mantelleitung
Diameter 70.0 mm
Length 211.0 mm
Mechanical Data
Mass Moment Of Inertia 0.00017 · 10-3 kgm2
Nominal Torque 2.0 Nm
Nominal torque mixed current 1.3 Nm
Max. Continuous Torque 2.2 Nm
Starting Torque 8.0 Nm
Max. Starting Torque 8.0 Nm
Rated Current (Mixed Current) 5.3 A
Peak Current 48.0 A
Total weight M+G 3.0 kg
Total weight M+G+B 3.4 kg
FR (Permissible radial shaft load) 112.0
FA (Permissible axial shaft load) 100.0
Gear Data
Gear reduction 1 : 5
Bearing (Motor) Kugellager
Bearing (Gearbox) Kugellager
Power transmission input 140.0 W
Rated speed gearbox input 3000.0 min-1
Gearbox efficiency 90.0 %
Max Starting Torque 8.0 Nm
Max Backlash 40.0 min

GNM4175A-GP48.3 - Motor Design

Brush holder opening will be accessible by removing the cover plate. Flange mounting with 4 threads, see drawing.
  • Motors also available with DC-tachometer and/ or incremental encoder

Information

Tolerances according to VDE 0530. ± 10% for tolerances not specified according to VDE 0530. All values are only valid for use in the temperature range from 0 to 40 °C and must not be exceeded, even for a short time, as otherwise there is a risk of magnetic weakening. All data with reference to our disclaimer.
General Data
Rated Speed 500.0 min-1
Nominal Voltage 24 V
Rated Current 7.5 A
Nominal Power 125.0 W
Max Power 140.0 W
Operating Mode S1
Degree Of Protection IP 54
Direction Of Rotation reversibel
Connection Type Mantelleitung
Diameter 70.0 mm
Length 211.0 mm
Mechanical Data
Mass Moment Of Inertia 0.00012 · 10-3 kgm2
Nominal Torque 2.4 Nm
Nominal torque mixed current 1.6 Nm
Max. Continuous Torque 2.7 Nm
Starting Torque 8.0 Nm
Max. Starting Torque 8.0 Nm
Rated Current (Mixed Current) 5.3 A
Peak Current 40.0 A
Total weight M+G 3.0 kg
Total weight M+G+B 3.4 kg
FR (Permissible radial shaft load) 112.0
FA (Permissible axial shaft load) 100.0
Gear Data
Gear reduction 1 : 6
Bearing (Motor) Kugellager
Bearing (Gearbox) Kugellager
Power transmission input 140.0 W
Rated speed gearbox input 3000.0 min-1
Gearbox efficiency 90.0 %
Max Starting Torque 8.0 Nm
Max Backlash 40.0 min

GNM4175A-GP48.3 - Motor Design

Brush holder opening will be accessible by removing the cover plate. Flange mounting with 4 threads, see drawing.
  • Motors also available with DC-tachometer and/ or incremental encoder

Information

Tolerances according to VDE 0530. ± 10% for tolerances not specified according to VDE 0530. All values are only valid for use in the temperature range from 0 to 40 °C and must not be exceeded, even for a short time, as otherwise there is a risk of magnetic weakening. All data with reference to our disclaimer.
General Data
Rated Speed 392.0 min-1
Nominal Voltage 24 V
Rated Current 7.5 A
Nominal Power 125.0 W
Max Power 140.0 W
Operating Mode S1
Degree Of Protection IP 54
Direction Of Rotation reversibel
Connection Type Mantelleitung
Diameter 70.0 mm
Length 211.0 mm
Mechanical Data
Mass Moment Of Inertia 7e-05 · 10-3 kgm2
Nominal Torque 3.1 Nm
Nominal torque mixed current 2.0 Nm
Max. Continuous Torque 3.4 Nm
Starting Torque 8.0 Nm
Max. Starting Torque 8.0 Nm
Rated Current (Mixed Current) 5.3 A
Peak Current 32.0 A
Total weight M+G 3.0 kg
Total weight M+G+B 3.4 kg
FR (Permissible radial shaft load) 112.0
FA (Permissible axial shaft load) 100.0
Gear Data
Gear reduction 1 : 7
Bearing (Motor) Kugellager
Bearing (Gearbox) Kugellager
Power transmission input 140.0 W
Rated speed gearbox input 3000.0 min-1
Gearbox efficiency 90.0 %
Max Starting Torque 8.0 Nm
Max Backlash 40.0 min

GNM4175A-GP48.3 - Motor Design

Brush holder opening will be accessible by removing the cover plate. Flange mounting with 4 threads, see drawing.
  • Motors also available with DC-tachometer and/ or incremental encoder

Information

Tolerances according to VDE 0530. ± 10% for tolerances not specified according to VDE 0530. All values are only valid for use in the temperature range from 0 to 40 °C and must not be exceeded, even for a short time, as otherwise there is a risk of magnetic weakening. All data with reference to our disclaimer.
General Data
Rated Speed 320.0 min-1
Nominal Voltage 24 V
Rated Current 4.3 A
Nominal Power 74.0 W
Max Power 74.0 W
Operating Mode S1
Degree Of Protection IP 54
Direction Of Rotation reversibel
Connection Type Mantelleitung
Diameter 70.0 mm
Length 211.0 mm
Mechanical Data
Mass Moment Of Inertia 0.00017 · 10-3 kgm2
Nominal Torque 2.2 Nm
Nominal torque mixed current 1.5 Nm
Max. Continuous Torque 2.2 Nm
Starting Torque 8.0 Nm
Max. Starting Torque 8.0 Nm
Rated Current (Mixed Current) 3.2 A
Peak Current 27.0 A
Total weight M+G 3.0 kg
Total weight M+G+B 3.4 kg
FR (Permissible radial shaft load) 112.0
FA (Permissible axial shaft load) 100.0
Gear Data
Gear reduction 1 : 5
Bearing (Motor) Kugellager
Bearing (Gearbox) Kugellager
Power transmission input 82.0 W
Rated speed gearbox input 1600.0 min-1
Gearbox efficiency 90.0 %
Max Starting Torque 8.0 Nm
Max Backlash 40.0 min

GNM4175A-GP48.3 - Motor Design

Brush holder opening will be accessible by removing the cover plate. Flange mounting with 4 threads, see drawing.
  • Motors also available with DC-tachometer and/ or incremental encoder

Information

Tolerances according to VDE 0530. ± 10% for tolerances not specified according to VDE 0530. All values are only valid for use in the temperature range from 0 to 40 °C and must not be exceeded, even for a short time, as otherwise there is a risk of magnetic weakening. All data with reference to our disclaimer.
General Data
Rated Speed 267.0 min-1
Nominal Voltage 24 V
Rated Current 4.5 A
Nominal Power 76.0 W
Max Power 75.0 W
Operating Mode S1
Degree Of Protection IP 54
Direction Of Rotation reversibel
Connection Type Mantelleitung
Diameter 70.0 mm
Length 211.0 mm
Mechanical Data
Mass Moment Of Inertia 0.00012 · 10-3 kgm2
Nominal Torque 2.7 Nm
Nominal torque mixed current 1.8 Nm
Max. Continuous Torque 2.7 Nm
Starting Torque 8.0 Nm
Max. Starting Torque 8.0 Nm
Rated Current (Mixed Current) 3.2 A
Peak Current 22.0 A
Total weight M+G 3.0 kg
Total weight M+G+B 3.4 kg
FR (Permissible radial shaft load) 112.0
FA (Permissible axial shaft load) 100.0
Gear Data
Gear reduction 1 : 6
Bearing (Motor) Kugellager
Bearing (Gearbox) Kugellager
Power transmission input 84.0 W
Rated speed gearbox input 1600.0 min-1
Gearbox efficiency 90.0 %
Max Starting Torque 8.0 Nm
Max Backlash 40.0 min

GNM4175A-GP48.3 - Motor Design

Brush holder opening will be accessible by removing the cover plate. Flange mounting with 4 threads, see drawing.
  • Motors also available with DC-tachometer and/ or incremental encoder

Information

Tolerances according to VDE 0530. ± 10% for tolerances not specified according to VDE 0530. All values are only valid for use in the temperature range from 0 to 40 °C and must not be exceeded, even for a short time, as otherwise there is a risk of magnetic weakening. All data with reference to our disclaimer.
General Data
Rated Speed 209.0 min-1
Nominal Voltage 24 V
Rated Current 4.4 A
Nominal Power 74.0 W
Max Power 74.0 W
Operating Mode S1
Degree Of Protection IP 54
Direction Of Rotation reversibel
Connection Type Mantelleitung
Diameter 70.0 mm
Length 211.0 mm
Mechanical Data
Mass Moment Of Inertia 7e-05 · 10-3 kgm2
Nominal Torque 3.4 Nm
Nominal torque mixed current 2.3 Nm
Max. Continuous Torque 3.4 Nm
Starting Torque 80.0 Nm
Max. Starting Torque 8.0 Nm
Rated Current (Mixed Current) 3.2 A
Peak Current 17.0 A
Total weight M+G 3.0 kg
Total weight M+G+B 3.4 kg
FR (Permissible radial shaft load) 112.0
FA (Permissible axial shaft load) 100.0
Gear Data
Gear reduction 1 : 7
Bearing (Motor) Kugellager
Bearing (Gearbox) Kugellager
Power transmission input 82.0 W
Rated speed gearbox input 1600.0 min-1
Gearbox efficiency 90.0 %
Max Starting Torque 8.0 Nm
Max Backlash 40.0 min

GNM4175A-GP48.3 - Motor Design

Brush holder opening will be accessible by removing the cover plate. Flange mounting with 4 threads, see drawing.
  • Motors also available with DC-tachometer and/ or incremental encoder

Information

Tolerances according to VDE 0530. ± 10% for tolerances not specified according to VDE 0530. All values are only valid for use in the temperature range from 0 to 40 °C and must not be exceeded, even for a short time, as otherwise there is a risk of magnetic weakening. All data with reference to our disclaimer.
General Data
Rated Speed 143.0 min-1
Nominal Voltage 24 V
Rated Current 7.5 A
Nominal Power 120.0 W
Max Power 140.0 W
Operating Mode S1
Degree Of Protection IP 54
Direction Of Rotation reversibel
Connection Type Mantelleitung
Diameter 70.0 mm
Length 227.5 mm
Mechanical Data
Mass Moment Of Inertia 0.00015 · 10-3 kgm2
Nominal Torque 8.0 Nm
Nominal torque mixed current 5.2 Nm
Max. Continuous Torque 9.5 Nm
Starting Torque 22.0 Nm
Max. Starting Torque 22.0 Nm
Rated Current (Mixed Current) 5.3 A
Peak Current 32.0 A
Total weight M+G 3.2 kg
Total weight M+G+B 3.6 kg
FR (Permissible radial shaft load) 150.0
FA (Permissible axial shaft load) 110.0
Gear Data
Gear reduction 1 : 21
Bearing (Motor) Kugellager
Bearing (Gearbox) Kugellager
Power transmission input 140.0 W
Rated speed gearbox input 3000.0 min-1
Gearbox efficiency 85.0 %
Max Starting Torque 22.0 Nm
Max Backlash 45.0 min

GNM4175A-GP48.3 - Motor Design

Brush holder opening will be accessible by removing the cover plate. Flange mounting with 4 threads, see drawing.
  • Motors also available with DC-tachometer and/ or incremental encoder

Information

Tolerances according to VDE 0530. ± 10% for tolerances not specified according to VDE 0530. All values are only valid for use in the temperature range from 0 to 40 °C and must not be exceeded, even for a short time, as otherwise there is a risk of magnetic weakening. All data with reference to our disclaimer.
General Data
Rated Speed 100.0 min-1
Nominal Voltage 24 V
Rated Current 7.5 A
Nominal Power 120.0 W
Max Power 140.0 W
Operating Mode S1
Degree Of Protection IP 54
Direction Of Rotation reversibel
Connection Type Mantelleitung
Diameter 70.0 mm
Length 227.5 mm
Mechanical Data
Mass Moment Of Inertia 0.0001 · 10-3 kgm2
Nominal Torque 11.0 Nm
Nominal torque mixed current 7.5 Nm
Max. Continuous Torque 13.5 Nm
Starting Torque 25.0 Nm
Max. Starting Torque 25.0 Nm
Rated Current (Mixed Current) 5.3 A
Peak Current 26.0 A
Total weight M+G 3.2 kg
Total weight M+G+B 3.6 kg
FR (Permissible radial shaft load) 150.0
FA (Permissible axial shaft load) 110.0
Gear Data
Gear reduction 1 : 30
Bearing (Motor) Kugellager
Bearing (Gearbox) Kugellager
Power transmission input 140.0 W
Rated speed gearbox input 3000.0 min-1
Gearbox efficiency 85.0 %
Max Starting Torque 25.0 Nm
Max Backlash 45.0 min

GNM4175A-GP48.3 - Motor Design

Brush holder opening will be accessible by removing the cover plate. Flange mounting with 4 threads, see drawing.
  • Motors also available with DC-tachometer and/ or incremental encoder

Information

Tolerances according to VDE 0530. ± 10% for tolerances not specified according to VDE 0530. All values are only valid for use in the temperature range from 0 to 40 °C and must not be exceeded, even for a short time, as otherwise there is a risk of magnetic weakening. All data with reference to our disclaimer.
General Data
Rated Speed 83.0 min-1
Nominal Voltage 24 V
Rated Current 7.5 A
Nominal Power 120.0 W
Max Power 145.0 W
Operating Mode S1
Degree Of Protection IP 54
Direction Of Rotation reversibel
Connection Type Mantelleitung
Diameter 70.0 mm
Length 227.5 mm
Mechanical Data
Mass Moment Of Inertia 0.0001 · 10-3 kgm2
Nominal Torque 14.0 Nm
Nominal torque mixed current 9.0 Nm
Max. Continuous Torque 16.5 Nm
Starting Torque 25.0 Nm
Max. Starting Torque 25.0 Nm
Rated Current (Mixed Current) 5.3 A
Peak Current 22.0 A
Total weight M+G 3.2 kg
Total weight M+G+B 3.6 kg
FR (Permissible radial shaft load) 150.0
FA (Permissible axial shaft load) 110.0
Gear Data
Gear reduction 1 : 36
Bearing (Motor) Kugellager
Bearing (Gearbox) Kugellager
Power transmission input 140.0 W
Rated speed gearbox input 3000.0 min-1
Gearbox efficiency 85.0 %
Max Starting Torque 25.0 Nm
Max Backlash 45.0 min

GNM4175A-GP48.3 - Motor Design

Brush holder opening will be accessible by removing the cover plate. Flange mounting with 4 threads, see drawing.
  • Motors also available with DC-tachometer and/ or incremental encoder

Information

Tolerances according to VDE 0530. ± 10% for tolerances not specified according to VDE 0530. All values are only valid for use in the temperature range from 0 to 40 °C and must not be exceeded, even for a short time, as otherwise there is a risk of magnetic weakening. All data with reference to our disclaimer.
General Data
Rated Speed 53.0 min-1
Nominal Voltage 24 V
Rated Current 4.5 A
Nominal Power 72.0 W
Max Power 75.0 W
Operating Mode S1
Degree Of Protection IP 54
Direction Of Rotation reversibel
Connection Type Mantelleitung
Diameter 70.0 mm
Length 227.5 mm
Mechanical Data
Mass Moment Of Inertia 0.0001 · 10-3 kgm2
Nominal Torque 13.0 Nm
Nominal torque mixed current 8.7 Nm
Max. Continuous Torque 13.5 Nm
Starting Torque 25.0 Nm
Max. Starting Torque 25.0 Nm
Rated Current (Mixed Current) 3.2 A
Peak Current 14.0 A
Total weight M+G 3.2 kg
Total weight M+G+B 3.6 kg
FR (Permissible radial shaft load) 150.0
FA (Permissible axial shaft load) 110.0
Gear Data
Gear reduction 1 : 30
Bearing (Motor) Kugellager
Bearing (Gearbox) Kugellager
Power transmission input 85.0 W
Rated speed gearbox input 1600.0 min-1
Gearbox efficiency 85.0 %
Max Starting Torque 25.0 Nm
Max Backlash 45.0 min

GNM4175A-GP48.3 - Motor Design

Brush holder opening will be accessible by removing the cover plate. Flange mounting with 4 threads, see drawing.
  • Motors also available with DC-tachometer and/ or incremental encoder

Information

Tolerances according to VDE 0530. ± 10% for tolerances not specified according to VDE 0530. All values are only valid for use in the temperature range from 0 to 40 °C and must not be exceeded, even for a short time, as otherwise there is a risk of magnetic weakening. All data with reference to our disclaimer.
General Data
Rated Speed 44.0 min-1
Nominal Voltage 24 V
Rated Current 4.5 A
Nominal Power 72.0 W
Max Power 77.0 W
Operating Mode S1
Degree Of Protection IP 54
Direction Of Rotation reversibel
Connection Type Mantelleitung
Diameter 70.0 mm
Length 227.5 mm
Mechanical Data
Mass Moment Of Inertia 0.0001 · 10-3 kgm2
Nominal Torque 16.0 Nm
Nominal torque mixed current 10.0 Nm
Max. Continuous Torque 16.5 Nm
Starting Torque 25.0 Nm
Max. Starting Torque 25.0 Nm
Rated Current (Mixed Current) 3.2 A
Peak Current 12.0 A
Total weight M+G 3.2 kg
Total weight M+G+B 3.6 kg
FR (Permissible radial shaft load) 150.0
FA (Permissible axial shaft load) 110.0
Gear Data
Gear reduction 1 : 36
Bearing (Motor) Kugellager
Bearing (Gearbox) Kugellager
Power transmission input 85.0 W
Rated speed gearbox input 1600.0 min-1
Gearbox efficiency 85.0 %
Max Starting Torque 25.0 Nm
Max Backlash 45.0 min

GNM5480E-GP80 - Motor Design

Brush holder opening will be accessible by removing the cover plate. Flange mounting with 4 threads, see drawing.
  • Motors also available with DC-tachometer and/ or incremental encoder

Information

Tolerances according to VDE 0530. ± 10% for tolerances not specified according to VDE 0530. All values are only valid for use in the temperature range from 0 to 40 °C and must not be exceeded, even for a short time, as otherwise there is a risk of magnetic weakening. All data with reference to our disclaimer.
General Data
Rated Speed 517.0 min-1
Nominal Voltage 24 V
Rated Current 12.9 A
Nominal Power 240.0 W
Max Power 2710.0 W
Operating Mode S1
Degree Of Protection IP 54
Direction Of Rotation reversibel
Connection Type Mantelleitung
Diameter 83.0 mm
Length 273.0 mm
Mechanical Data
Mass Moment Of Inertia 0.00274 · 10-3 kgm2
Nominal Torque 4.4 Nm
Nominal torque mixed current 2.9 Nm
Max. Continuous Torque 50.0 Nm
Starting Torque 23.0 Nm
Max. Starting Torque 70.0 Nm
Rated Current (Mixed Current) 9.0 A
Peak Current 115.0 A
Total weight M+G 5.8 kg
Total weight M+G+B 6.9 kg
FR (Permissible radial shaft load) 900.0
FA (Permissible axial shaft load) 400.0
Gear Data
Gear reduction 1 : 5
Bearing (Motor) Kugellager
Bearing (Gearbox) Kugellager
Power transmission input 250.0 W
Rated speed gearbox input 3000.0 min-1
Gearbox efficiency 95.0 %
Max Starting Torque 70.0 Nm
Max Backlash 20.0 min

GNM5480E-GP80 - Motor Design

Brush holder opening will be accessible by removing the cover plate. Flange mounting with 4 threads, see drawing.
  • Motors also available with DC-tachometer and/ or incremental encoder

Information

Tolerances according to VDE 0530. ± 10% for tolerances not specified according to VDE 0530. All values are only valid for use in the temperature range from 0 to 40 °C and must not be exceeded, even for a short time, as otherwise there is a risk of magnetic weakening. All data with reference to our disclaimer.
General Data
Rated Speed 333.0 min-1
Nominal Voltage 24 V
Rated Current 12.9 A
Nominal Power 240.0 W
Max Power 700.0 W
Operating Mode S1
Degree Of Protection IP 54
Direction Of Rotation reversibel
Connection Type Mantelleitung
Diameter 83.0 mm
Length 273.0 mm
Mechanical Data
Mass Moment Of Inertia 0.00121 · 10-3 kgm2
Nominal Torque 6.8 Nm
Nominal torque mixed current 4.5 Nm
Max. Continuous Torque 20.0 Nm
Starting Torque 35.0 Nm
Max. Starting Torque 40.0 Nm
Rated Current (Mixed Current) 9.0 A
Peak Current 115.0 A
Total weight M+G 5.8 kg
Total weight M+G+B 6.9 kg
FR (Permissible radial shaft load) 900.0
FA (Permissible axial shaft load) 400.0
Gear Data
Gear reduction 1 : 9
Bearing (Motor) Kugellager
Bearing (Gearbox) Kugellager
Power transmission input 250.0 W
Rated speed gearbox input 3000.0 min-1
Gearbox efficiency 95.0 %
Max Starting Torque 40.0 Nm
Max Backlash 20.0 min

GNM5480E-GP80 - Motor Design

Brush holder opening will be accessible by removing the cover plate. Flange mounting with 4 threads, see drawing.
  • Motors also available with DC-tachometer and/ or incremental encoder

Information

Tolerances according to VDE 0530. ± 10% for tolerances not specified according to VDE 0530. All values are only valid for use in the temperature range from 0 to 40 °C and must not be exceeded, even for a short time, as otherwise there is a risk of magnetic weakening. All data with reference to our disclaimer.
General Data
Rated Speed 129.0 min-1
Nominal Voltage 24 V
Rated Current 12.9 A
Nominal Power 225.0 W
Max Power 1355.0 W
Operating Mode S1
Degree Of Protection IP 54
Direction Of Rotation reversibel
Connection Type Mantelleitung
Diameter 83.0 mm
Length 295.5 mm
Mechanical Data
Mass Moment Of Inertia 0.00215 · 10-3 kgm2
Nominal Torque 17.0 Nm
Nominal torque mixed current 11.0 Nm
Max. Continuous Torque 100.0 Nm
Starting Torque 91.0 Nm
Max. Starting Torque 120.0 Nm
Rated Current (Mixed Current) 9.0 A
Peak Current 115.0 A
Total weight M+G 6.9 kg
Total weight M+G+B 8.0 kg
FR (Permissible radial shaft load) 900.0
FA (Permissible axial shaft load) 400.0
Gear Data
Gear reduction 1 : 23
Bearing (Motor) Kugellager
Bearing (Gearbox) Kugellager
Power transmission input 250.0 W
Rated speed gearbox input 3000.0 min-1
Gearbox efficiency 90.0 %
Max Starting Torque 120.0 Nm
Max Backlash 25.0 min

GNM5480E-GP80 - Motor Design

Brush holder opening will be accessible by removing the cover plate. Flange mounting with 4 threads, see drawing.
  • Motors also available with DC-tachometer and/ or incremental encoder

Information

Tolerances according to VDE 0530. ± 10% for tolerances not specified according to VDE 0530. All values are only valid for use in the temperature range from 0 to 40 °C and must not be exceeded, even for a short time, as otherwise there is a risk of magnetic weakening. All data with reference to our disclaimer.
General Data
Rated Speed 89.0 min-1
Nominal Voltage 24 V
Rated Current 12.9 A
Nominal Power 225.0 W
Max Power 935.0 W
Operating Mode S1
Degree Of Protection IP 54
Direction Of Rotation reversibel
Connection Type Mantelleitung
Diameter 83.0 mm
Length 295.5 mm
Mechanical Data
Mass Moment Of Inertia 0.00208 · 10-3 kgm2
Nominal Torque 24.0 Nm
Nominal torque mixed current 16.0 Nm
Max. Continuous Torque 100.0 Nm
Starting Torque 120.0 Nm
Max. Starting Torque 120.0 Nm
Rated Current (Mixed Current) 9.0 A
Peak Current 105.0 A
Total weight M+G 6.9 kg
Total weight M+G+B 8.0 kg
FR (Permissible radial shaft load) 900.0
FA (Permissible axial shaft load) 400.0
Gear Data
Gear reduction 1 : 33
Bearing (Motor) Kugellager
Bearing (Gearbox) Kugellager
Power transmission input 250.0 W
Rated speed gearbox input 3000.0 min-1
Gearbox efficiency 90.0 %
Max Starting Torque 120.0 Nm
Max Backlash 25.0 min

GNM5480E-GP80 - Motor Design

Brush holder opening will be accessible by removing the cover plate. Flange mounting with 4 threads, see drawing.
  • Motors also available with DC-tachometer and/ or incremental encoder

Information

Tolerances according to VDE 0530. ± 10% for tolerances not specified according to VDE 0530. All values are only valid for use in the temperature range from 0 to 40 °C and must not be exceeded, even for a short time, as otherwise there is a risk of magnetic weakening. All data with reference to our disclaimer.
General Data
Rated Speed 57.0 min-1
Nominal Voltage 24 V
Rated Current 12.9 A
Nominal Power 225.0 W
Max Power 600.0 W
Operating Mode S1
Degree Of Protection IP 54
Direction Of Rotation reversibel
Connection Type Mantelleitung
Diameter 83.0 mm
Length 295.5 mm
Mechanical Data
Mass Moment Of Inertia 0.00087 · 10-3 kgm2
Nominal Torque 37.0 Nm
Nominal torque mixed current 25.0 Nm
Max. Continuous Torque 100.0 Nm
Starting Torque 120.0 Nm
Max. Starting Torque 120.0 Nm
Rated Current (Mixed Current) 9.0 A
Peak Current 68.0 A
Total weight M+G 6.9 kg
Total weight M+G+B 8.0 kg
FR (Permissible radial shaft load) 900.0
FA (Permissible axial shaft load) 400.0
Gear Data
Gear reduction 1 : 52
Bearing (Motor) Kugellager
Bearing (Gearbox) Kugellager
Power transmission input 250.0 W
Rated speed gearbox input 3000.0 min-1
Gearbox efficiency 90.0 %
Max Starting Torque 120.0 Nm
Max Backlash 25.0 min

GNM5480E-GP80 - Motor Design

Brush holder opening will be accessible by removing the cover plate. Flange mounting with 4 threads, see drawing.
  • Motors also available with DC-tachometer and/ or incremental encoder

Information

Tolerances according to VDE 0530. ± 10% for tolerances not specified according to VDE 0530. All values are only valid for use in the temperature range from 0 to 40 °C and must not be exceeded, even for a short time, as otherwise there is a risk of magnetic weakening. All data with reference to our disclaimer.
General Data
Rated Speed 32.0 min-1
Nominal Voltage 24 V
Rated Current 12.9 A
Nominal Power 215.0 W
Max Power 340.0 W
Operating Mode S1
Degree Of Protection IP 54
Direction Of Rotation reversibel
Connection Type Mantelleitung
Diameter 83.0 mm
Length 314.5 mm
Mechanical Data
Mass Moment Of Inertia 0.00213 · 10-3 kgm2
Nominal Torque 63.0 Nm
Nominal torque mixed current 42.0 Nm
Max. Continuous Torque 100.0 Nm
Starting Torque 120.0 Nm
Max. Starting Torque 120.0 Nm
Rated Current (Mixed Current) 9.0 A
Peak Current 39.0 A
Total weight M+G 7.5 kg
Total weight M+G+B 8.6 kg
FR (Permissible radial shaft load) 900.0
FA (Permissible axial shaft load) 400.0
Gear Data
Gear reduction 1 : 92
Bearing (Motor) Kugellager
Bearing (Gearbox) Kugellager
Power transmission input 250.0 W
Rated speed gearbox input 3000.0 min-1
Gearbox efficiency 85.0 %
Max Starting Torque 120.0 Nm
Max Backlash 30.0 min

GNM5480E-GP80 - Motor Design

Brush holder opening will be accessible by removing the cover plate. Flange mounting with 4 threads, see drawing.
  • Motors also available with DC-tachometer and/ or incremental encoder

Information

Tolerances according to VDE 0530. ± 10% for tolerances not specified according to VDE 0530. All values are only valid for use in the temperature range from 0 to 40 °C and must not be exceeded, even for a short time, as otherwise there is a risk of magnetic weakening. All data with reference to our disclaimer.
General Data
Rated Speed 22.0 min-1
Nominal Voltage 24 V
Rated Current 12.9 A
Nominal Power 215.0 W
Max Power 235.0 W
Operating Mode S1
Degree Of Protection IP 54
Direction Of Rotation reversibel
Connection Type Mantelleitung
Diameter 83.0 mm
Length 314.5 mm
Mechanical Data
Mass Moment Of Inertia 0.00213 · 10-3 kgm2
Nominal Torque 91.0 Nm
Nominal torque mixed current 61.0 Nm
Max. Continuous Torque 100.0 Nm
Starting Torque 120.0 Nm
Max. Starting Torque 120.0 Nm
Rated Current (Mixed Current) 9.0 A
Peak Current 27.0 A
Total weight M+G 7.5 kg
Total weight M+G+B 8.6 kg
FR (Permissible radial shaft load) 900.0
FA (Permissible axial shaft load) 400.0
Gear Data
Gear reduction 1 : 134
Bearing (Motor) Kugellager
Bearing (Gearbox) Kugellager
Power transmission input 250.0 W
Rated speed gearbox input 3000.0 min-1
Gearbox efficiency 85.0 %
Max Starting Torque 120.0 Nm
Max Backlash 30.0 min

GNM5480E-GP80 - Motor Design

Brush holder opening will be accessible by removing the cover plate. Flange mounting with 4 threads, see drawing.
  • Motors also available with DC-tachometer and/ or incremental encoder

Information

Tolerances according to VDE 0530. ± 10% for tolerances not specified according to VDE 0530. All values are only valid for use in the temperature range from 0 to 40 °C and must not be exceeded, even for a short time, as otherwise there is a risk of magnetic weakening. All data with reference to our disclaimer.
General Data
Rated Speed 15.0 min-1
Nominal Voltage 24 V
Rated Current 10.0 A
Nominal Power 160.0 W
Max Power 160.0 W
Operating Mode S1
Degree Of Protection IP 54
Direction Of Rotation reversibel
Connection Type Mantelleitung
Diameter 83.0 mm
Length 314.5 mm
Mechanical Data
Mass Moment Of Inertia 0.00206 · 10-3 kgm2
Nominal Torque 100.0 Nm
Nominal torque mixed current 88.0 Nm
Max. Continuous Torque 100.0 Nm
Starting Torque 120.0 Nm
Max. Starting Torque 120.0 Nm
Rated Current (Mixed Current) 9.0 A
Peak Current 19.0 A
Total weight M+G 7.5 kg
Total weight M+G+B 8.6 kg
FR (Permissible radial shaft load) 900.0
FA (Permissible axial shaft load) 400.0
Gear Data
Gear reduction 1 : 195
Bearing (Motor) Kugellager
Bearing (Gearbox) Kugellager
Power transmission input 190.0 W
Rated speed gearbox input 3000.0 min-1
Gearbox efficiency 85.0 %
Max Starting Torque 120.0 Nm
Max Backlash 30.0 min

GNM5480E-GP80 - Motor Design

Brush holder opening will be accessible by removing the cover plate. Flange mounting with 4 threads, see drawing.
  • Motors also available with DC-tachometer and/ or incremental encoder

Information

Tolerances according to VDE 0530. ± 10% for tolerances not specified according to VDE 0530. All values are only valid for use in the temperature range from 0 to 40 °C and must not be exceeded, even for a short time, as otherwise there is a risk of magnetic weakening. All data with reference to our disclaimer.
General Data
Rated Speed 10.0 min-1
Nominal Voltage 24 V
Rated Current 7.0 A
Nominal Power 105.0 W
Max Power 105.0 W
Operating Mode S1
Degree Of Protection IP 54
Direction Of Rotation reversibel
Connection Type Mantelleitung
Diameter 83.0 mm
Length 314.5 mm
Mechanical Data
Mass Moment Of Inertia 0.00086 · 10-3 kgm2
Nominal Torque 100.0 Nm
Nominal torque mixed current 100.0 Nm
Max. Continuous Torque 100.0 Nm
Starting Torque 120.0 Nm
Max. Starting Torque 120.0 Nm
Rated Current (Mixed Current) 7.0 A
Peak Current 13.0 A
Total weight M+G 7.5 kg
Total weight M+G+B 8.6 kg
FR (Permissible radial shaft load) 900.0
FA (Permissible axial shaft load) 400.0
Gear Data
Gear reduction 1 : 302
Bearing (Motor) Kugellager
Bearing (Gearbox) Kugellager
Power transmission input 125.0 W
Rated speed gearbox input 3000.0 min-1
Gearbox efficiency 85.0 %
Max Starting Torque 120.0 Nm
Max Backlash 30.0 min
Loading...